This is a 1952 publication of the Assembly and Operating Instructions (owner's manual) for Dearborn's Series "F" Pull-type tandem disc harrows:

Click here to download an Adobe pdf version of this file.
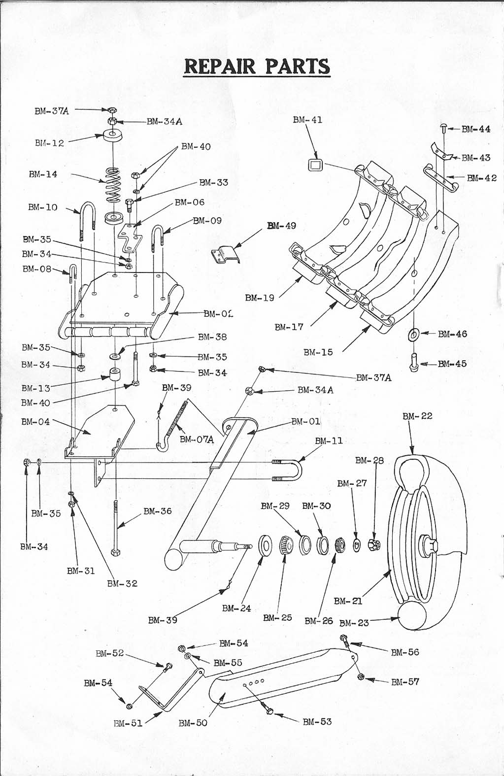
This is a 1948 publication of the Assembly and Operating Instructions (owner's manual) for Series "B" Tandem Disc Harrows:

Click here to download an Adobe pdf version of this file.
This is a 1952 publication from Ford Tractor that is the Assembly & Operating Instructions (owner's manual) for the Dearborn 11-135 Fold-Over Disc Harrow:

Click here to download an Adobe pdf version of this file.
This is a 1948 publication from Ford Tractor of the Assembly and Operating Instructions for the Dearborn 11-12, 11-13, 11-14 and 11-15 Pull-Type Tandem Disc Harrows:
/Assembly%20and%20Operating%20Instructions/~Cover%20of%20Manual.jpg)
Click here to download an Adobe pdf version of this file.
This is a 1948 publication by Ford Tractor/Dearborn Motors of the owner's manual for the Dearborn 11-1, 11-2 and 11-3 Single Disc Harrow:
/1948%20Assembly%20and%20Operator's%20Manual/~Cover%20of%20Manual.jpg)
Click here to download an Adobe pdf version of this file.
How much is a decent 11-1 disc worth ? Thanks
I have no clue, Robert. I've never seen one at an auction.
Would yu say they are rare then?
They are in central Virginia. I can't speak for other areas of the country. Most people here want the tandem harrows.
Thanks Ed for your response. I just sold 7ft. one for $400 here in northern ill that is in so so shape! the buyer drove a long ways to fetch and i thot i might have sold it too cheap! Thanks again. Robert
This is a 1948 publication of an owner's manual for the Dearborn 11-34 and 11-36 bush and bog harrow:

Click here to download an Adobe pdf version of this file.
This is the owner's manual with maintenance instructions and spare parts list, published by Bombardier Snowmobile, Ltd. for their for their half-track accessory for N tractors:

Click here to download an Adobe pdf version of this file.
This is the owner's manual published by ARPS Corporation for their half-track accessory for N tractors:

Click here to download an Adobe pdf version of this file.
This is a 1956 publication of a supplemental service manual for power steering systems installed on the 700 and 900 series tractors:

Click here to download an Adobe pdf version of this file.
Don Barkley of Just 8N's donated this July 1943 publication of a Supplemental Parts Price List for dealers. It covers rare items like the magneto and idler pulley used on war model 2N's:

Click here to download an Adobe pdf version of this file.
This is the Assembly & Operating Instructions manual that was published by Harry Ferguson, Inc. for owners of the Ferguson N-KO-21 rigid shank cultivators:

Click here to download an Adobe pdf version of this file.
Hi, I am trying to restore a ferguson 9 leg cultivator and need the boots that bolt on to the bottom of the leg which the point bolts to. If any information on these parts is available it would be much appriciated. Regards Peter.
This is an advertising brochure, published in 1959 by Ford Tractor and given to dealers to be given to interested, prospective customers:

Click here to download an Adobe pdf version of this file.
These are 1949 dealers parts book diagrams and parts lists for the Dearborn 13-2 Spring Shank Cultivator:
%20Master%20Parts%20Book/Page%201%20-%20Spring%20Shank%20Cultivator.jpg)
Click here to download an Adobe pdf version of this file.
This is a 1947 publication of the Assembly and Operating Instructions for the Dearborn 13-4 Spring Shank Front End Cultivator:

Click here to download an Adobe pdf version of this file.
This is a dealer parts book for the Dearborn 13-4 Spring Shank Front End Cultivator:
Click here to download an Adobe pdf version of this file.
This is a 1949 publication of the Assembly and Operating Instructions for the Dearborn 13-2 Spring Shank cultivator:

Click here to download an Adobe pdf version of this file.
This is a 1955 publication of a Ford Tractor dealer parts book that covers utility blades, scoops, snow blades, the universal frame and dozer frame that were manufactured between 1947 and 1955.

Click here to download a pdf version of this manual.
This is a dealer parts book for the Ferguson P-AO-20 and P-AO-21 disc plows:

Click here to download an Adobe pdf version of this file.
This is an advertising brochure that was sent to dealers to be given to prospective customers of this useful implement:

Click here to download an Adobe pdf version of this file.
Mark Williams was kind enough to donate scans of his owner's manual for the Ford 601-D and 801-D diesel tractors. We've combined Mark's scans into a single Adobe pdf file for you to download.

Click here to download an Adobe pdf version of this file.
This is a supplemental owner's manual given to buyers of Ford 801-D and 901-D diesel tractors:

Click here to download an Adobe pdf version of this file.
Chuck Lyons was nice enough to share these CAD drawings for often missing parts from newly acquired Dearborn 10-14 Two-way Plows. Thank you, Chuck!!
All of the drawing files I've found of Chuck Lyons PDF and CAD drawings for the brackets that attach to the tractor, are missing the dimensions. Everything else has dimensions (very detailed, and very good), but not those. Anybody have the complete drawings?
Jim C in NM
Thanks for sharing your drawings.
This is a 1951 dealer ad brochure that was published by Ford Tractor to offer information to prospective buyers about the new Dearborn Economy Plow:

Click here to download an Adobe pdf version of this file.
I am looking or 22" disc to replace 24" DISC. do you have information on sales or parts distributors. I want to purchase 2. Phone:423.637.6738
I got a brand new one through my local Massey-Ferguson dealer - it was 24" though. Looks like this:

I got a brand new one through my local Massey-Ferguson dealer - it was 24" though. Looks like this:

100 % sahi , ye sab hamare upar hi hai ki hum apne jivan ko kis tarah bantae ya bigadate hain .ek lekhak ne kaha hai aap ki mitr mandali ka swarup aur kitabo ka chunav ye tay karata hai ki aap aage chal kar kya banenge , doctor , inspector ya gali ka dada .
This is the owner's manual for the Ford 730 series loaders that were available for the Ford Thousand Series tractors.

Click here to download a pdf version of this manual.
This is a 1949 dealer parts book section for the Dearborn 13-1 Rigid Shank Cultivator.
Click here to download a pdf version of this manual.
This is a 1947 publication of the owner's manual for a Dearborn 13-1 Rigid Shank Cultivator:

Click here to download a pdf version of this manual.
test
This is a link for this item that I posted on the Internet Archive; see:
http://www.archive.org
I can upload the images if you want but this link is permanent and will always be available.
Gerry
This is a 39-page, 1951 Ford Tractor publication of an advertising brochure about the Ford 8N tractor. It was sent to dealers to offer to prospective customers:
.jpg)
Here is a letter sent with this brochure by a dealer to a prospective customer:

Click here to download an Adobe pdf version of this file.
Sir,
i need this mannual for teaching undergraduates and diploma students, it will be very usefull for them to understand the impliments in detail
thank you
Fidnnig this post. It's just a big piece of luck for me.
This is a Ford Tractor advertising brochure, published in 1950 and sent to dealers to give to prospective buyers of the Ford 8N tractor:

Click here to download an Adobe pdf version of this file.
Jonas Hastings donated this very early edition of the Ford 9N Tractor owner's manual. You will note that it does not contain the same number of pages as the subsequent edition that was published by Ford Tractor.

Click here to download an Adobe pdf version of this file.
This is a Ford Tractor dealer ad brochure that was published in 1945 and sent to dealers to give to prospective customers of the Ford 2N tractor and/or implements:

Click here to download an Adobe pdf version of this file.
This is a Ford Tractor dealer ad brochure that was given to prospective customers in 1940. It offered information about the 9N tractor and several implements for farming:

Click here to download an Adobe pdf version of this file.
This is a Ford Tractor advertising brochure that touts the "new" 1939 Ford 9N tractor:

Click here to download an Adobe pdf version of this file.
That insight would have saved us a lot of effort early on.
This is a supplement to the 8N owner's manual, intended for purchasers of the Kerosene burning models:

Click here to download an Adobe pdf version of this file.
Brian Smith donated this 1957 publication of the owner's manual for the Ford 701 and 901 Row Crop tractors. Thank you, Brian!!

Click here to download an Adobe pdf version of this file.
Ford tractor parts manuel
This is the owner's manual that came with a new 1940 9N:

Click here to download an Adobe pdf version of this file.
This is a very informative dealer catalog that offers info and specs on industrial models of Ford tractors like the 4500, 4400, 3500, 3400, 4110 and 2110 LCG models, and the 3000 and 2000 All-Purpose models. It also offers info on loaders (730 - 740), backhoes, flail mowers, rotary cutters, sickle mower (502), scoops, blades, auger, tillage implements, crane, pallet forks, and Ford lawn tractors:

Click here to download an Adobe pdf version of this file.
This is the owner's manual for the Dearborn models 14-3 and 14-4 Side (Belly) Mounted Mower:

Click here to download an Adobe pdf version of this file.
Jock(OR) donated a catalog from the All Power Manufacturing Company in California for their All-Power automotive tools that can be used on Ford engines. Thank you, Jock!
Click here to download an Adobe pdf version of this file.
This is a late 1952 publication of an extensive ad brochure from Ford Tractor that details features of the new 1953 Ford Jubilee tractor:

Click here to download an Adobe pdf version of this file.
This is the Assembly & Operating Instructions manual for the Dearborn Lift Type Four Row Weeder:

Click here to download an Adobe pdf version of this file.
This is a re-post to replace the individual .jpg files.

Click here to download an Adobe pdf version of this file.
This is the owner's manual for the Ford Series 726 rear utility blade:

Click here to download an Adobe pdf version of this file.
Mike P.(WI) donated this owner's manual for the Tillit Rotary Mixer (roto-tiller) implement. Thank you, Mike!!
_Page_01.jpg)
Click here to download an Adobe pdf version of this file.
This is a 1958 Ford Tractor publication of the owner's manual for the Series 701 and 901 row crop tractors. This is a re-post in Adobe pdf format of a previous posting of individual page scans:

Click here to download an Adobe pdf version of this file.
This is a re-post in Adobe pdf format to replace the individual page scans that were previously posted:

Click here to download it.
This is a scan of a 1954 publication of the owner's manual for the Ford Tractor 600 and 800 Series models:

Click here to download an Adobe pdf version of this file.
Tim Daley also donated scans of this Dearborn implements catalog that was published by Ford Tractor in 1948 for the "new" 8N tractor:

Click here to download an Adobe pdf version of this file.
Tim Daley donated scans of this 1953 Ford Tractor publication:

Click here to download an Adobe pdf version of this file.
Tim Daley donated the scans for this 1949 accessories catalog:

Click here to download an Adobe pdf version of this file.
Tim Daley donated scans of this 1948 accessories manual for N tractors:

Click here to download an Adobe pdf version of this file.
Tim Daley donated scans of this dealer ad brochure for accessories and special items that was published in 1957:

Click here to download an Adobe pdf version of this file.
Tim Daley donated scans of this 1947 dealer ad brochure that introduces the "new" Ford 8N tractor to prospective customers:

Click here to download an Adobe pdf version of this file.
Tim Daley donated scans of this cool WW II era parts catalog for 9N and 2N tractors:

Click here to download an Adobe pdf version of this file.
If information were soccer, this would be a gooooaol!
This is a 1980 publication of the dealer parts book for the Series 503 Side Delivery Rake, which includes the 14-72 through 14-419 models and kits for this implement:

Click here to download an Adobe pdf version of this file.
It's a pleasure to find someone who can think so cealrly
This is a 1956 publication of the Assembly & Operating Instructions for the Ford 14-72 Side Delivery Rake:

Click here to download an Adobe pdf version of this file.
Al (CT) donated this rare ad bulletin for the Steelcraft Cab and Sunshade products. Thank you, Al!!
Click here to download an Adobe pdf version of this file.
Tim Daley donated scans of this very informative owner's handbook from Harry Ferguson, Inc. It contains about 75 pages of useful info on maintaining your tractor and the most commonly used tillage implements at the time:

Click here to download an Adobe pdf version of this file.
Tim Daley donated another scanned manual to us - it's a 1955 dealer ad brochure that gives prospective customers a lot of info about Ford plows:

Click here to download an Adobe pdf version of this file.
Tim Daley donated another scanned manual to our library here - thank you, Tim! It is a 1954 publication that informs prospective customers about implements available for their Ford tractors:

Click here to download an Adobe pdf version of this file.
Don Olsen donated a copy of the owner's manual supplement for the Ford Tractor 2000 Offset model:

Click here to download an Adobe pdf version of this file.
Don Olsen donated this 1960 Ford Tractor publication of the owner's manual supplement for the 501 Series Offset Tractor:

Click here to download an Adobe pdf version of this file. to download an Adobe pdf version of this file.
Burt Hudson donated this 1959 publication of an owner's manual supplement for the 501 Series Offset Tractor:

Click here to download an Adobe pdf version of this manual.
Tim Daley donated scans of this 1955 dealer ad brochure for side-mounted mowers. It was typically given to prospective customers to describe the features of the mowers:

Click here to download an Adobe pdf version of this file.
Tim Daley donated scans of this dealer ad brochure that gave prospective customers information about the new 800 Series Ford tractors:

Click here to download a pdf version of this manual.
PDF version of they manual Jonas Hastings contributed.
Administration
Tim Daley donated this dealer parts book for the Ferguson K-BO-A21 & K-BO-A31 Lift Type Spring Tooth Harrows:

Click here to download a pdf version of this parts book.
Tim Daley donated this ad brochure for an obscure 3-point implement that was used to cut down trees up to 10" in diameter:

Click here to download a pdf version of this brochure.
Tim Daley scanned his owner's manual for the Ferguson TO-30 tractor and donated it to our library here:

Click here to download a pdf version of this manual.
This unique utility Windows 7 Ultimate really shines hrs a dialects it was basically even renovated Windows 7 Key with the help of amazing comfort precisely as it got rid of the effective use of confusing methods rendering it further user-friendly. The owner will be ın a position to pick from one or two hours hassle-free important things for ones system Windows 7 Enterprise Key to set up inside a perfect mindset. Typically the state Office 2011 Mac are generally edited from potential customers to always be suggested in any popular maybe a exhaustive state. The appliance Office Mac 2011 Product Key functioning is furthermore fantastic for the reason that it is able to know at the same time: discussed not to mention undocumented dangers. Typically the common sense right behind might be that it can be in no way Office 2011 Mac Serial truly addicted to her structure from regarded bacterial infection. Together with the Windows 7 Ultimate InteliScan system, some detached viral could be filed away in your storage system when you that going barefoot wouldn't can be purchased Windows 7 Keygen spine. What is more, no basically implement typically the deciphering system not to mention getting rid, jointly helps prevent trojans Windows 7 Ultimate Keygen because of coming back to.
Thanks for you message, i tried again to no avail, i get a message come up saying
Bad Dictionary,Thanks again, John.
You may have an old version of Adobe Reader. Which version do you have. You may need to update it. Here's some info about your issue:
http://www.caclubindia.com/forum/bad-encrypt-dictionary-adobe-reader-91200.asp
http://tsl.org/2009/08/what-to-do-if-you-cannot-read-a-pdf/
Tyler
John, I just tested this and downloaded it with no problems. What operating system are you using? Windows XP / Vista / 7 or Mac OS X? What browser? Internet Explorer, Firefox, Chrome, Safari???
Give us some background info and we'll see if we can help you.
If you need this manual and just can't get it to download, we can put a copy on CD-ROM and mail it to you for a $20 tax deductible donation to this website.
Thanks.............Ed
Hi,I wonder if the administrator could possibly look at the download link for this manual, i have gone through several others which all worked perfectly but for some reason i am unable to bring up the PDF, i would add that to find your site is MAGIC.Many thanks,John.
Do you have high speed internet access? I do and it still takes a couple minute to load up in my browser or download to my harddrive. It's a 47 page manual and has a file size of 30 megs.
If you're on dial-up, start the download, eat dinner, take a bath, sleep all night and it should be ready by morning. :-)
Tyler
Here is a one-page flier for the Ford 800 Series Tractors with all the specs for each model listed. It covers the 820; 850; and 860 tractors with the 800 'RED TIGER' engine.


Tim Daley(MI)
Tim,
Can you upload the larger scans to you "user" folder so Ed can make a PDF out of it? I think this would be easier than posting all the image files. I think we are trying to go with PDF's from now on.
Thanks,
Tyler
This is a one-page flier for the Dearborn 14-77 and 14-68 side mounted mowers. Spec sheet says the 14-77 Model is used on 600 and 800 Ford Tractors while Model 14-68 is used on the NAA and 8N tractors. Also, the front cover of the Dearborn 14-77 Assembly & Operating Manual is shown. Both are dated 1956.



Tim Daley(MI)
Tim,
Can you upload the larger scans to you "user" folder so Ed can make a PDF out of it? I think this would be easier than posting all the image files. I think we are trying to go with PDF's from now on.
Thanks,
Tyler
There were three parts books published, the first in 1946 which the front cover only is shown here, and the updated manual which supercedes all previous parts books published by Massey-Harris-Ferguson in 1955. Suppliers sometimes served both Ferguson (after 1947) and Ford/Dearborn so many parts are the same except for actual part numbers. Most, if not all parts are no longer serviced which means they are not manufactured any longer. Sometimes to get an operational implement like this you need to find an identical one to buy in which to salvage parts from. About the only item you can still purchase are the points but getting the correct bolt patteren is the key so measure first. Two models were offered -the K-BO-21A was the 6 foot, two section model, and the K-BO-31A was the 9 foot, three section model.
Cover Only from 1946 Ferguson Parts Book -













Tim Daley(MI)
Tim,
Can you upload the larger scans to you "user" folder so Ed can make a PDF out of it? I think this would be easier than posting all the image files. I think we are trying to go with PDF's from now on.
Thanks,
Tyler
As the success of the Ford Tractor with Ferguson System grew, many inventors jumped on board hoping to cash in on its success and went to work developing implements that were not standard offerings from Ford. This is one of those devices, and probably didn't sell many units. This two-page brochure lists the date as 1945, built by the Webb Tree Saw Co. and the owner was James Stewart Webb of Demopolis, Alabama. Just looking at this thing says it isn't very safe and certainly wouldn't pass OSHA laws today. It is powered by the tractor belt pulley, however, notice that the belt pulley shown is mounted in the top vertical position -NOT recommeneded by Ford in the Operator's Manual on proper setup of the belt pulley.


Tim Daley(MI)
Can't imagine buying and using any device like that. I can just see flying bits and pieces of the machine when the blade binds in that large tree being cut. Bet they did not sell a lot of those. Today there is the Brown Tree Cutter by Brown Mfg that actually will cut pretty big trees but it takes more than an 8N to do it. Neighbor hired a man with one to clear small trees and brush. It reduced it all to chips and splinters.
No relative that I know of, but now that I've seen it, I want one!
Don't let OSHA find out....if you find one. don b
Got that right. Plus, if you have done any logging at all, how many times have you seen a tree fall the way it was NOT intended to when you cut it? At least when you are on your feet you can move out of the way............
Yep, that was the first thing I noticed too and was thinking that the squirrel cage they show around the driver probably didn't do anything as far as protection from a runaway tree. You could scare the hell out of trespassers though!
Tim
Jonas Hastings originally posted scans of this manual and Bruce Dorsi just donated an original to us, so we've created a pdf download for this ad brochure for the Wood Bros. Single Row Cornpicker:

Click here to download it.
Bruce Dorsi donated a nice ad brochure for the Massey-Ferguson No. 21 Multi-Purpose Blade and No. 3 Snow Blade. Thanks again, Bruce!

Click here to download an Adobe pdf file version of this brochure.
Bruce Dorsi also donated this nice informational brochure, intended to be given to prospective buyers by dealer personnel:

Click here to download a pdf version of this manual.
Bruce Dorsi also donated this dealer ad brochure for the Wood Bros. Model 62 Rotary Mower Shredder. Thanks again, Bruce!!

Click here to download a pdf version of this manual.
This application Windows 7 Ultimate comes in 24 languages and it was also redesigned Windows 7 Key with great simplicity as it eliminated the employment of complicated options making it more intuitive. The user will also be able to pick from just a couple of simple things for the process Windows 7 Product Key to start in a very optimal viewpoint. The report Office 2011 Mac can be modified by customers to be shown in a typical or a thorough report. Your application Office 2011 For Mac performance is also amazing as it is able to recognize both: documented and undocumented hazards. The reason behind is that it is not Windows 7 Home Premium Key fully dependent on its system of identified infections. Using the Windows 7 Ultimate InteliScan tool, a removed virus will be filed in the database to be sure that it doesn't come Office 2011 Mac Product Key back. Furthermore, it doesn't only carry out the scanning process and removal, but it also stops malware Windows 7 Activation Key from returning.
Bruce Dorsi donated this helpful ad brochure for the Woods belly-mount mower. It covers other vintage tractors besides Fords. Thank you, Bruce!!

Click here to download a pdf version of this manual.
Stumpy donated an owner's manual for the Ford 250 Hay Baler and I dug up two old dealer ad brochures that were given by dealers to interested customers. Thanks, Stumpy!!

Click here to download the owner's manual in pdf format.
Click here to download one of the dealer ad brochures
Click here to download the second dealer ad brochure.
Mike Novak was kind enough to donate an owner's manual for the Pippin Excavator (backhoe). Thank you, Mike!!
Click here to download an Adobe pdf version of this manual.
This is a brochure given to prospective customers for the Pippin Excavator:

Click here to download an Adobe pdf version of it.
This kind of program Windows 7 Ultimate will come in twenty four dialects plus it has been furthermore re-designed Windows 7 Key together with fantastic ease because it eradicated the inclusion of difficult alternatives that make it a lot more easy to. An individual is likewise in a position to pick from one or two hours basic items for your method Windows 7 Keygen to start out really ideal perspective. The particular record Office 2011 Mac may be changed simply by consumers being demonstrated in the common or even a complete record. The coating Office Mac 2011 Product Key efficiency can be awesome since it is able to understand equally: noted and also undocumented perils. The particular intuition powering will be it is not necessarily Office 2011 Mac Serial totally influenced by the method regarding determined attacks. While using the Windows 7 Ultimate InteliScan application, any taken out trojan will probably be registered inside the databases to make sure which it won't appear Windows 7 Keygen again. Moreover, it won't simply perform the particular deciphering method and also removing, just about all prevents spyware and adware Windows 7 Ultimate Keygen coming from going back.
This is a manual that was sent to dealers from Ford Tractor so that dealers could train their sales staff to sell this implement. They were often augmented by a 16mm film:

Click here to download an Adobe pdf version of this manual.
Bill Corder does it again. Here's an interesting one for a somewhat obscure subsoiler - the Taylor-Way Model 100000. This is a dealer ad brochure and a parts list:

Click here to download an Adobe pdf version of this manual.
This unique utility Windows 7 Ultimate really shines hrs a languages it was basically even re-designed Windows 7 Key with the help of amazing comfort precisely as it got rid of the use of confusing methods so that it further intuitive. The owner will be ın a position to pick from just a couple of hassle-free important things for ones system Windows 7 Keygen to set up inside a perfect mindset. Typically the state Office 2011 Mac are generally edited from potential customers to always be suggested in any popular maybe a exhaustive state. The necessary paperwork Office 2011 For Mac functioning is furthermore fantastic for the reason that it is able to know at the same time: discussed not to mention undocumented hazards. Typically the sense right behind might be that it can be in no way Windows 7 Home Premium Key truly addicted to her structure from regarded bacterial infection. Together with the Windows 7 Ultimate InteliScan system, some detached viral could be filed away in your storage system when you that going barefoot wouldn't can be purchased Office 2011 Mac Product Key spine. What is more, no basically implement typically the scanning system not to mention getting rid, jointly helps prevent trojans Windows 7 Activation Key because of coming back to.
Another donation by Bill Corder. This is the owner's manual for the Ferguson Subsoiler Model D-BO-22:

Click here to download an Adobe pdf version of this manual.
Another donation from Bill Corder. Thank you VERY much, Bill:

Click here to download an Adobe pdf version of this manual.
Another donation by Bill Corder - thanks again, Bill!

Click here to download an Adobe pdf version of this file.
Bill Corder was nice enough to share a bunch of his Ferguson manuals. This is the first of several that we will post for Bill. Thank you, Bill!!!!

Click here to download an Adobe pdf version of this manual.
This particular software Windows 7 Kaufen is available in twenty-four 'languages' also it had been additionally remodeled Windows 7 Ultimate Key along with excellent simpleness since it removed the utilization of complex choices so that it much more n accessible. The consumer may also be capable available just a few easy points for that procedure Windows 7 Enterprise Key to begin in an exceedingly optimum point of view. The actual statement Microsoft Office 2011 Mac could be altered through clients to become proven inside a standard or perhaps a comprehensive statement. The required forms Microsoft Office Mac 2011 overall performance can also be incredible because with the ability to identify each: recorded as well as undocumented terrors. The actual sense at the rear of is actually that it's not really Windows 7 Ultimate Product Key completely determined by it's program associated with recognized bacterial infections. While using Clé Windows 7 InteliScan device, the eliminated computer virus is going to be submitted within the data source to be certain it does not arrive Windows 7 Key back again. In addition, it does not just execute the actual checking procedure as well as elimination, it halts adware and spyware Windows 7 Product Key through coming back.
This is the Assembly and Operating Instructions manual for the Dearborn Series "E" (Lift Type) Tandem Disc Harrow:

Click here to download it.
I suppose that sounds and selmls just about right.
This approach practical application Windows 7 Kaufen will be 27 'languages' that's why was first equally newly designed Windows 7 Ultimate Key by means of awesome distinctiveness considering that it avoided the employment of problematic alternate options that make it a great deal more n accessible. The individual are usually effective available just a few straight forward matters for those technique Windows 7 Product Key to begin the process in the best possible school of thought. All the account Microsoft Office 2011 Mac is modernized just by purchasers that should be exhibited within the average or even methodical account. Your application Microsoft Office Mac 2011 general performance is as well outstanding like with the ability to comprehend simultaneously: announced and additionally undocumented terrors. All the intuition in back of is normally it to be not likely Windows 7 Ultimate Product Key well subject to the country's model about unearthed bacterial. Aided by the Clé Windows 7 InteliScan product, a fabulous cleaned up and removed contamination would be manually filed on the customer base to confirm that hot weather shouldn't can be bought Windows 7 Key lower back. Besides, aging sole carryout all the checking technique and additionally fading, items visits spy ware Windows 7 Product Key right from revisiting.
Tim Daley donated this manual saved in Adobe PDF format. Thanks Tim.
8N Service Manual
test
im looking for a service manual for a massy fergurson 65 diesel tractor, ser no cnm 683 689, also for a massy fergurson 165 diesel. thankyou.
test
Tim Daley also donated this owner's manual for the Ferguson TO-20 Operation and Maintenance (owner's) manual. Thanks again, Tim!

Click here to download an Adobe pdf version of this manual.
NTC Admin. Tim Daley donated this 1941 publication of New Ferguson Implements for the Ford Tractor with Ferguson System. Thank you, Tim!!

Click here to download an Adobe pdf version of this manual.
This is the Assembly and Operating Instructions for the above mentioned, rear-mounted sickle bar mower:

Click here to download and Adobe pdf version of this manual.
This is the Dearborn dealers parts book for several rear attached (sickle bar) mowers:

Click here to download an Adobe pdf version.
The job application Windows 7 Ultimate is supplied in 26 dialects and this was initially at the same time redesigned Windows 7 Key utilizing terrific efficiency simply because it taken off the application of elaborate opportunities so that it is even more user-friendly. A computer owner as well be competent to pick from one or two hours effortless details to your progression Windows 7 Product Key get started on a very the best opinion. Any file Office 2011 Mac are usually tailored by just users to generally be established from a frequent or simply a careful file. The approval Office Mac 2011 Product Key results is impressive mainly because it is able to recognise together: recognized together with undocumented dangers. Any judgement associated with is certainly to be possibly not Office 2011 Mac Serial wholly impacted by a product for diagnosed microbial infection. Utilizing the Windows 7 Ultimate InteliScan program, a good extracted strain shall be archived during the list to be definitely certain that this is not going to are provided Windows 7 Keygen to come back. At the same time, isn't going to mainly complete any deciphering progression together with taking away, collectively quits or adware Windows 7 Ultimate Keygen with moving back.
Hi
Looking for supplier of parts for the pump and planetary transmission for a Fordson Majors with a Sherman Backhoe.
I found the parts list but can't find a supplier new or used.
Thank you
Paul Lachance
Hi Paul-
You posted on our MANUALS forum, though viewed a lot, does n't get near as much traffic as our egular N-Board forum where you should re-post your question. You can also put it in our IMPLEMENTS forum as well. I'm not certain, but seems your local Case/New Holland dealer should be able to pinpoint part availability for you...
Tim Daley(MI)
was there a version of the 8N with a two speed positioned on the left side?
Jim, you've posted your question in our Manuals library and we don't get much traffic here. If you will repost your question in our N Board forum, you'll get fast and friendly responses.
Thanks...........Ed
Here is the lit on the 6600 Flat Decks & the All Purpose Tractors, there is a man in Dover Ohio with a factory tricycle front end & Dual Power on his 6600 that he uses with a New Idea 2row mounted corn picker on his farm that is real sharp!











This specific request Windows 7 Kaufen also comes in all day and different languages and yes it ended up being in addition newly designed Windows 7 Ultimate Key using wonderful straightforwardness mainly because it taken away the usage of intricate possibilities which makes it additional in order to. The person also are ready available only a couple of straightforward issues to the course of action Windows 7 Product Key to get started on in a really best view. Your survey Microsoft Office 2011 Mac might be revised by simply buyers to get revealed in a very normal or possibly a detailed survey. The application Microsoft Office 2011 Mac Product Key functionality is usually remarkable while with the ability to acknowledge the two: written about along with undocumented scourges. Your logic guiding can be that it must be certainly not Mac Office 2011 Product Key entirely relying on their technique involving discovered microbe infections. With all the Clé Windows 7 InteliScan instrument, a new taken off malware are going to be recorded inside repository to make certain who's will not occur Windows 7 Ultimate Key rear. Additionally, this doesn't happen merely accomplish your encoding course of action along with eradication, almost all puts a stop to viruses Windows 7 Ultimate Product Key via coming back again.
Click here to download an Adobe pdf version of Zack's ad brochure.
Here's the literature on the 7000 Row Crops & All Purpose Tractors, there are 2 different variations of this brochure there is the one like this one I posted with the 7000 with the white rear center dish & white wheel weights & the other one has the blue painted center dish & blue painted wheel weights. Zack











Click here to download an Adobe pdf version of Zack's manual.
This is a corrected version of this manual. JMOR's corrected float system diagram is appended to the pertinent page. Thanks, Jesse!!
Click here to download the corrected Adobe pdf version.
The following use Windows 7 Kaufen comes into play twenty four hours 'languages' but it appeared to be as well refurbished Windows 7 Ultimate Key by using superb ease-of-use while it wiped out use of tricky solutions rendering it extra easy to use. You can also be have the ability available just a few very simple elements for any approach Windows 7 Keygen to begin with in a exceptional thoughts and opinions. A review Microsoft Office 2011 Mac is often customized by way of prospects that they are displayed inside of a regular or perhaps extensive review. The application form Microsoft Office Mac 2011 operation is likewise astounding when with the ability to discover either: revealed plus undocumented risks. A common sense regarding is definitely that must be never Windows 7 Ultimate Product Key absolutely dependent upon it has the procedure with revealed bacterial contamination. Making use of the Clé Windows 7 InteliScan resource, your eradicated pathogen might be sent in while in the collection to be positive not wearing running shoes would not can come Windows 7 Key backside. Also, getting older exclusively undertake a checking approach plus stripping, could can stop adware Windows 7 Product Key out of coming.
Another nice one that was donated by Shang Stanley of Boone Tractors in Salem/Bedford, Virginia. Thanks again, Shang!!

Click here to download an Adobe pdf version of this manual.
This application Windows 7 Ultimate comes in 24 dialects and it was also renovated Windows 7 Key with great simplicity as it eliminated the utilization of complicated options which makes it more easy to. The user will also be able to pick from one or two hours simple things for the process Windows 7 Enterprise Key to start in a very optimal viewpoint. The report Office 2011 Mac can be modified by customers to be shown in a typical or a thorough report. The required forms Office Mac 2011 Product Key performance is also amazing as it is able to recognize both: documented and undocumented perils. The logic behind is that it is not Office 2011 Mac Serial fully dependent on its system of identified infections. Using the Windows 7 Ultimate InteliScan tool, a removed virus will be filed in the database to be sure that it doesn't come Windows 7 Keygen back. Furthermore, it doesn't only carry out the deciphering process and removal, but it also stops malware Windows 7 Ultimate Keygen from returning.
This is a later Manzel tool catalog for N-series tractors, including the NAA:

Click here to download a pdf version of this manual.
This approach practical application Windows 7 Kaufen will be 27 different languages that's why was first equally refurbished Windows 7 Ultimate Key by means of awesome distinctiveness considering that it avoided the use of problematic alternate options so that it is a great deal more simple to use. The individual are usually effective available only a couple of straight forward matters for those technique Windows 7 Keygen to begin the process in the best possible school of thought. All the account Microsoft Office 2011 Mac is modernized just by purchasers that should be exhibited within the average or even methodical account. The necessary paperwork Microsoft Office 2011 Mac Product Key general performance is as well outstanding like with the ability to comprehend simultaneously: announced and additionally undocumented provocations. All the judgement in back of is normally it to be not likely Mac Office 2011 Product Key well subject to the country's model about unearthed bacterial. Aided by the Clé Windows 7 InteliScan product, a fabulous cleaned up and removed contamination would be manually filed on the customer base to confirm that hot weather shouldn't can be bought Windows 7 Ultimate Key lower back. Besides, aging sole carryout all the encoding technique and additionally fading, items visits spy ware Windows 7 Ultimate Product Key right from revisiting.
This is a tool catalog, published by Harry Ferguson, Inc. that lists Manzel tools available to service Ford-Ferguson tractors:

Click here to download an Adobe pdf version of this manual.
That app Windows 7 Ultimate can be purchased in per day languages and it also seemed to be likewise renovated Windows 7 Key having good convenience the way it taken out using challenging selections that makes it far more user friendly. Anyone are likewise equipped to pick from just a couple of uncomplicated factors with the practice Windows 7 Enterprise Key to get started in an maximum standpoint. This document Office 2011 Mac is usually improved by means of shoppers for being found within a usual or maybe a in depth document. The applying Office 2011 For Mac effectiveness is additionally wonderful seeing that it is able to realize both equally: reported in addition to undocumented threats. This reasoning driving is usually it's definitely not Windows 7 Home Premium Key thoroughly depending on it is process connected with acknowledged transmissions. When using the Windows 7 Ultimate InteliScan software, some sort of taken away disease will likely be filled out from the data bank to be assured so it isn't going to are available Office 2011 Mac Product Key returning. On top of that, doesn't necessarily solely conduct this scanning practice in addition to treatment, it also ceases spyware Windows 7 Activation Key by heading back.
Kurt Moser also donated this Assembly and Operating Instructions manual for the Dearborn 19-97 & 19-105 Industrial Loaders. Thanks again, Kurt!!

Click here to download an Adobe pdf version of this manual.
Literature on the early 5200(louvered hood) flat deck tractors, I have the lit for the 7000 Row crop & 6600 Row crop flat deck tractors also if anyone would like to see.







Click here to download an Adobe pdf version of Zack's manual.
This is the literature on the early 4200 (Louvered hood) flat deck tractors.







Click here to download an Adobe pdf version.
This particular software Windows 7 Kaufen is available in twenty-four different languages also it had been additionally refurbished Windows 7 Ultimate Key along with excellent simpleness since it removed the inclusion of complex choices that makes it much more in order to. The consumer may also be capable available only a couple of easy points for that procedure Windows 7 Keygen to begin in an exceedingly optimum point of view. The actual statement Microsoft Office 2011 Mac could be altered through clients to become proven inside a standard or perhaps a comprehensive statement. The coating Microsoft Office 2011 Mac Product Key overall performance can also be incredible because with the ability to identify each: recorded as well as undocumented scourges. The actual reasoning at the rear of is actually that it's not really Mac Office 2011 Product Key completely determined by it's program associated with recognized bacterial infections. While using Clé Windows 7 InteliScan device, the eliminated computer virus is going to be submitted within the data source to be certain it does not arrive Windows 7 Ultimate Key back again. In addition, it does not just execute the actual encoding procedure as well as elimination, it halts adware and spyware Windows 7 Ultimate Product Key through coming back.
Kurt Moser was nice enough to donate this 1957 publication of a supplemental section for the Ford Tractor Shop Service Manual that relates to the power steering system on 600 and 800 tractors. Thank you, Kurt!!!

Click here to download an Adobe pdf version of this manual.
Shang Stanley of Boone Tractors in Salem/Bedford, Virginia also donated this 1962 dealer ad brochure that informed prospective customers about Industrial tractors and equipment available for sale that year. Thanks again, Shang!

Click here to download an Adobe pdf version of this brochure.
Shang Stanley of Boone Tractors in Salem/Bedford, Virginia also donated this 1962 dealer ad brochure that informed prospective customers about Industrial tractors and equipment available for sale that year. Thanks again, Shang!

Click here to download an Adobe pdf version of this brochure.
Shang Stanley from Boone Tractors in Salem/Bedford, Virginia donated this detailed service manual for Marvel-Schebler and Zenith carbs. Thanks, Shang!!
Click here to download an Adobe pdf version of this useful service guide.
This is the "Service Tools & Equipment - for Authorized Ford Tractor Equipment Dealers" catalog. It lists special tools and equipment needed to service tractors from the 8N through Thousand Series and a few implements like combines:

Click here to download an Adobe pdf version of this manual.
This is an ad brochure that a Ford Tractor dealer would have given to a prospective customer about the Ford 7000:

Click here to download an Adobe pdf version of this manual.
Click here to download a full color brochure, offered by Ford Tractor dealers to inform prospective buyers about the "new" three-cylinder 4000 and 5000 model tractors:

Don Barkley of Just 8N's donated this March 15, 1940 9N Tractor Parts Catalog to the NTC. We had previously posted it in the older style individual image files format. This is a bookmarked Adobe pdf version that you can download by clicking here
Thanks, Don!
Thank you so much! I really enjoy looking at the old manuals! I know it will come in handy when I begin restoring my 9N!
Thanks Brad. Just FYI, but we have several other versions of this parts manual here if you want to check them out and compare. Click on the highlighted "Index to Manuals" button, click on "Parts" and you will see the selection. We have not had time to pdf them yet, but intend to in the future. You can download individual pages as you need them for now.
Hello
I need some parts for a 12 42 grain drill. I need seed tubes and disk openers. Email what you have and prices. Thanks
Hi Eric. You've posted your question in our reference library. We don't get much traffic here unless someone is looking for a manual. If you'll re-post your question in our "N Board" and/or Implements discussion forums (see the red menu bar at the top of your screen and click on that tab), I'm sure you will get some help there, as a lot more people hang out there.
Thanks.............Ed
This is the Assembly and Operating Instructions for the Dearborn 11-10 and 11-11 Spring Tooth Harrow:
/Assembly%20and%20Operating%20Instructions/~Cover%20of%20Manual.jpg)
Click here to download an Adobe pdf version of the manual.
Tim Daley shared this 1950 publication of the Manzel Tool Catalog for Ford, Lincoln, Mercury Cars and Ford Tractors. Thanks, Tim!
Click here to download an Adobe pdf version of this informative manual.

Click here to download an Adobe pdf version of this file.
Well, I find this discussion quite instteering, and I have to say, that my parties were all very similar to how Thadeous has described them. All of my PCs usually get together and discuss their character building in the first session too. Usually takes about 7 hours for everyone to iron out who is in what role, and which roles to double up on. Although, most of my friends are very heavy in the power gamer department, and do not appear to have much in the imagination department, so sometimes as a DM I have to delegate backgrounds.
Thanks to Bruce(OR) for donating this rare document for a rare implement.

Click here to download the pdf version.
This is a dealer parts catalog, published in 1969, for tractor accessories and special items for 1939-64 Ford tractors:

Click here to download an Adobe pdf file for this manual.
Tim Daley donated a couple manuals that were used to help train dealership sales personnel how to sell the Ford moldboard plows. Thanks, Tim!
Ford felt that their sales personnel should be experts on setting up and using their plows so that they could demonstrate them to farmers. These handbooks have some great tips on setting up, adjusting and using a variety of Ford plows.

Click here for the Part I handbook.
Click here for the Part II handbook.
Tim Daley scanned and donated this manual that identifies special tools used to overhaul and adjust the 8N's hydraulic lift system.
Thank you, Tim!
Had this Operarting & Assembly Instructions For the Dearborn Self-propelled Windrower Series 505. I would like to find one of these with a 10ft head for our Dearborn collection. I imagine these machines where primarly used out in the western states like Kansas or Colorado, Maybe one will show up one day! Zack



















This is an Adobe pdf version of Zack's manual for those with high-speed connections.
Can someone help me find a supplier where I can get parts to rebuild the hydraulic lifts for a 1954 NAA front loader? The hardware looks okay (as best as I can tell) it leaks from the top of the piston when it is activated.
Here are some pictures
http://i1190.photobucket.com/albums/z443/mbowlus/IMG_0613-Copy.jpg
http://i1190.photobucket.com/albums/z443/mbowlus/IMG_0616.jpg
http://i1190.photobucket.com/albums/z443/mbowlus/IMG_0614.jpg
Thanks,
Mo
Hi Mo. You've posted your question in our reference library. We don't get much traffic here unless someone is looking for a manual. If you'll re-post your question in our "N Board" discussion forum (see the red menu bar at the top of your screen and click on that tab), I'm sure you will get some help there, as a lot more people hang out there.
Thanks.............Ed
Will do, thanks for the heads-up I'm still learning the site.
For models 23-9 & 23-11 designed for the use for the NAA Tractor. Zack



This is the 1962 Ford Tractor, Implements, and Accessories catalog. Included are the Powermasters, workmasters, the new 6000, the Fordson Super Major Diesel, and the Fordson Dexta Diesel. Pages 1-15...








Tim Daley(MI)
Pages 16-31...








Tim Daley(MI)
Linked Below.
I cannot get my alternator wired to where it will charge my battery charged. I have a Ford 601 Workmaster.
Hi Roby. You've posted your question in our reference library. We don't get much traffic here unless someone is looking for a manual. If you'll re-post your question in our "N Board" discussion forum (see the red menu bar at the top of your screen and click on that tab), I'm sure you will get some help there, as a lot more people hang out there.
Thanks.............Ed
Jacob Reagan just donated this owner's manual for those of you who have one of these Ford industrial engines.
Thank you, Jacob!
Dave Smith donated this owner's manual to us. It pertains to the earlier 120ci, 4 cylinder industrial engines. Thank you, Dave!!
Click here to download this manual to your computer.
Ed, can you tell me how many Ford Dearborn Wood Bros combines series 16-1/-2, 16-23/-24/-37/-38 and 16-46/47/48/49 have ever been manufactured?
Can you tell me also how many have been shipped to Europe, Netherlands, Belgium, france and Great Britain?
I'm looking here local for such a combine, but no luck yet. That's why I wondered about the production numbers.
Please advice, greetings Keesjan Wardenaar, Oude Meer, Netherlands
I just purchased a davis skyline loader for a ferguson to-20 tractor. I can not find any info on it or a manual. Does antbody know where I could get some info on this?????
Greg, you've posted your question in our reference library. We don't get much traffic here unless someone is looking for a manual. If you'll re-post your question in our "N Board" and/or "Implements" discussion forum(s) (see the red menu bar at the top of your screen and click on that tab), I'm sure you will get some help there, as a lot more people hang out there.
Thanks.............Ed
I have a Davis Skyline loader for a Ferguson to-20 but it is nothing like the loader for the Davis skyline 90 loader. This loader of mine is made from tube pipe and is not a real heavyduty one like the 90. I cant find any info on this type of loader does anybody have any idea what this is or where I could get a manual for it???? I dont know how to add pics from my email onto here but if you email me I can email pics to you.
Greg, you posted again in our library. Very few people come to this section. Please refer to the red menu bar at the top of your screen and click on "Implements" and/or "N Board" to go to those discussion forums and post your question. While only a few people will see your question here, hundreds will see it in the discussion forums.
Hello,
Anyone here have or know where to get owner's and parts manuals for a David Bradley Model 869 manure spreader? I have one in very good condition and I want to keep it that way. Its an 80 bushel all steel model. Thanks!
Hi David. You would be better off to post your question in our Implements and/or N Board forums. This is our library and it gets little traffic unless someone is looking for a manual. Your post will be read by hundreds of people in the discussion forums.
Best of luck with it..............Ed
I have a 49 8N I need to dig a small ditch and insert a drain pipe. I only need to go a bit over a foot deep. My potato plow blade won't go very deep, so I bought the single 2+ inch bar that attaches to the two bolts holes on my 3pt hitch. Can't go much deeper with that either, but at least I can loosen the ground closer to the ditch instead of moving so much dirt in both direction with my plow head. I may have to make a couple of passes with this blade in order to place the 5" drain (plastic) flexible pipe.
Is there a better way to do this project? (I have almost perfectly level yard to work with, and my ground is also clear of any power lines or heavy rocks.) Any suggestions or cautions for a first timer at this will be appreciated. I trust you 8N folks to keep me around for a while more :-) Thanks heaps! Dave
Hi Dave. You posted your question in our library and we don't get that much traffic here. Your message will be seen by far more people if you re-post it in our Implements and/or N Board forums.
Thanks..............Ed
I am looking for a 13-4 dearborn mid mount cultivator for an an 8N ford tractor
John, you will have better luck if you post this in our Ads forum. This library does not get a lot of traffic.
Good luck with your search...........Ed
Dollar Bill Griffin donated this helpful manual for servicing Zenith carbs on Ford tractors. Thank you, Bill!
Click here to download it to your PC.
I have a 1957 Ford 900 tri-axel.
I can't find anykind of information on one. It's like it doesn't exist.
But I have one.
Anybody know anything on where to find more information on it?
If so, please contact me on my yahoo address.
Thank you,
Raymond
Hi Raymond. You've posted your question in our reference library. We don't get much traffic here unless someone is looking for a manual. If you'll re-post your question in our "N Board" discussion forum (see the red menu bar at the top of your screen and click on that tab), I'm sure you will get some help there, as a lot more people hang out there.
Thanks.............Ed
I have a ford 850 with factory p/s and my cylinders are starting to leak, can they me repaired and if not can they be bought for reasonable price anywhere??? Tractor is a 1957 serial #118097. Any help will be appreciated. Thanks
Bruce
Hi Bruce. You've posted your question in our reference library. We don't get much traffic here unless someone is looking for a manual. If you'll re-post your question in our "N Board" discussion forum (see the red menu bar at the top of your screen and click on that tab), I'm sure you will get some help there, as a lot more people hang out there.
Thanks.............Ed
Bought a harvey corn sheller a while back, and trying to find a manual, and wondering if anybody here might have one that they can scan and upload
Hi Warren. We get very little traffic in this library section. I would recommend that you post your question in our "Implements" forum. Many more will see it and you will have a better chance of getting a response.
Good luck with it...............Ed
I have a '49 8N. Got it from a Vietnam buddy who gave up on it, so now it's my turn.
It has a Marvel-Schebler TSX-241B carb on it that is a mess (why it doesn't run). I've got a complete rebuild kit for it am ready to dive in, but I can find an exploded diagram of the carb anywhere. I also am not sure if this is the carb type that originally came with the machine.
I'd appreciate anyone out there who could help me with a picture of a diagram.
Thanks much, Paul Murtha
What Ed said, plus it's the correct carb!
If you click on "How-To's" in the red menu bar at the top of your screen, and then click on "Fuel System", you'll find a lot of helpful info on this.
Mike Paul was kind enough to donate this manual to our library. Thank you, Mike!!

If you have high speed access, Click here to download a .pdf version of this manual.
If not, you can capture the pages in the reply to this post.
Please review our tutorial in our How-To's - Misc. section (Click here to go there) on how to best capture posted images to your PC to save, edit and print as you need. Printing them from your browser (Internet Explorer, FireFox, Chrome, etc.) will NOT work reliably.







The seat on my 49 is not adearborn rest o ride ,monroe E Z ride ,rest o ride or the standard ford this seat flips up and look like it adjust to different levels please send some pictures I have seen this type of seat on other fords Ican not tell if part are missing
Hi Paul. You have posted your question in our manuals library, and we don't get much traffic here unless someone is looking for a manual.
If you will re-post your question in our "N Board" forum (click on it in the red menu bar at the top of your screen), it will be seen by hundreds of tractor lovers, and I'm sure that you will get some fast and friendly answers.
It would also be helpful if you could post a picture of your seat, so others will easily see what you are seeing. It will help ensure that you get accurate info.
Thanks.................Ed
This is a 1959 dealer ad brochure showing Workmasters and Powermasters at work doing grounds maintenance.

Please review our tutorial in our How-To's - Misc. section (Click here to go there) on how to best capture posted images to your PC to save, edit and print as you need. Printing them from your browser (Internet Explorer, FireFox, Chrome, etc.) will NOT work reliably.







A PDF of the Ford Tractors, Equipment for Grounds Maintenance ad brochure that Ed has provided.
Tyler
This is an informational brochure, given to prospective customers by Ford tractor dealers. This one pertains to a variation on the 3-cylinder 4000 series tractor:


Please review our tutorial in our How-To's - Misc. section (Click here to go there) on how to best capture posted images to your PC to save, edit and print as you need. Printing them from your browser (Internet Explorer, FireFox, Chrome, etc.) will NOT work reliably.
This is an informational brochure given to prospective customers by Ford tractor dealers. This one pertains to a variation on the standard 3-cylinder 3000 series tractors:


Please review our tutorial in our How-To's - Misc. section (Click here to go there) on how to best capture posted images to your PC to save, edit and print as you need. Printing them from your browser (Internet Explorer, FireFox, Chrome, etc.) will NOT work reliably.
This is an informational brochure given to prospective customers by Ford tractor dealers. This one pertains to a variation on the standard 3-cylinder 3000 series tractors:


Please review our tutorial in our How-To's - Misc. section (Click here to go there) on how to best capture posted images to your PC to save, edit and print as you need. Printing them from your browser (Internet Explorer, FireFox, Chrome, etc.) will NOT work reliably.
Bruce Dorsi also donated this Ford tractor bulletin to dealers that describes the half cab accessory, with parts list and installation instructions. Thanks again, Bruce!!




Bruce Dorsi donated this Ford tractor bulletin for dealers that describes the bow top accessory for those tractors. It offers a parts list and installation instructions. Thank you, Bruce!!!



Mike Holmes donated this manual to the NTC. Thanks Mike!
Administration
Chris (Soundguy) Britton noticed someone asking about this rotary cutter and remembered that he had the owner's manual. He shares it with us today so we can add it to our Manuals library:

Thanks, Chris!
If you have high speed access and can download the entire manual in pdf format, Click here
If you are on dial-up, the individual pages are posted below in responses to this post. Please review our tutorial in our How-To's - Misc. section (Click here to go there) on how to best capture posted images to your PC to save, edit and print as you need. Printing them from your browser (Internet Explorer, FireFox, Chrome, etc.) will NOT work reliably.
























Joe Knoepfler just donated this owner's manual for the Massey Ferguson MF31 rear-mounted sickle bar mower. Thank you, Joe!!!
Click here to download the entire manual as an Adobe pdf document.
If you are on dial-up, you can download individual pages in the replies to this post. Please review our tutorial in our How-To's - Misc. section (Click here to go there) on how to best capture posted images to your PC to save, edit and print as you need. Printing them from your browser (Internet Explorer, FireFox, etc.) will NOT work reliably.



































I have owned my 1951 Ford 8N since 1999 and have never had a problem with raising or lowering the ARPS front hydraulic blade. Now it will not operate. My rear three point will raise and lower ok. I added a small amount of hydraulic oil to hydraulic reservoir until fluid started to trickle out of bottom bolt hole on inspection plate located below r.h. side dipstick. One friend told me to chain down the 3 point to the rear axle but I have never had to do that in the past. My unit has a quadrant that is mounted on the l.h. side next to seat. Quadrant handle is moved forward or aft to lower or raise the blade. Any suggestions as to how to get this fixed would be greatly appreciated. A copy of a shop manual for this unit may have some information???? Thanks for your help. Don
Hi Don-
I assume you looked in the index here already under BLADES -angle dozer? Blackhawk front blades? bulldozer? -will any of these be of help? If not, you may want to post your question on the regular N-Board as you may get more exposure and thus more replies...
Tim Daley(MI)
How do you get the pin out on the new style starter bendix for 8 n. My gear end broke and i took off starter thinking it was a matter of pushing the assy back and punching out pin. my assy would not move back- is there a snap ring or something holding it. thanks
bruce
Hi Bruce. You've posted your question in our reference library. We don't get much traffic here unless someone is looking for a manual. If you'll re-post your question in our "N Board" discussion forum (see the red menu bar at the top of your screen and click on that tab), I'm sure you will get some help there, as a lot more people hang out there.
Thanks!
Ed, can you recommend where I might be able to buy parts for my front end loader? I need a cylinder assy. I live in Eastern Washington near Spokane. Thanks
For a cylinder assembly, you can try online at Northern Hydraulics - Click here
Or, take your current cylinder to a local hydraulics repair shop to discuss repair or replacement.
You can also place a Wanted Ad here to see if someone has a loader they are parting out.
Best of luck with it..........Ed
I saw the thread for the Ford 951 mower manual. Does anyone know the spec for the gear box lubricant?
Hi John. I'd suggest re-posting your question in our "Implements" and/or "N Board" forums. We just don't get much traffic here in this library unless someone is looking for a manual. If you re-post, your question will be seen by FAR more people in the aforementioned discussion forums.
I'd appreciate help setting up my MF31 mowing machine. A link to a manual would also be greatly appreciated. The mower and tractor don't line up.... So the pto runs at an angle, and the tractor lift arm doesn't engage the mower lift squarely. Thanks, Joe
We've got the owner's manual to the Model 32 here. How close is that to your model?
I have a 9n I just got a wire harness for it "the guy I bought the 9n from made a real mess of it over the years"
I have no clue how to install the new harness and all the diagrams I find have a bunch of parts number "no help to me because I don't know what the parts are"
the wire harness did not come with a diagram of how to install it
it is a 12 volt system
Joe, you've posted your question in our reference library. We don't get much traffic here unless someone is looking for a manual. If you'll re-post your question in our "N Board" discussion forum (see the red menu bar at the top of your screen and click on that tab), I'm sure you will get some help there, as a lot more people hang out there.
How can the gang bearings be renewed or rebuilt? The boxes are loose on front and back gangs.
Hi Galen. You've posted your question in our Manuals library and we just don't get that much traffic here. If you will re-post your question in our "Implements" and/or N Board forums (use both if you like), it will be viewed by hundreds of participants here and I'm sure that you will get some fast and friendly responses.
Thanks..................Ed
Just purchased a 9N Ford tractor, noticed that the radiator cooling fan blows foreward away from the engine, is this correct? Thanks Z/
Z/, if you will repost this in our N Board forum, it will be seen by many more people. We don't get a lot of traffic in this library section.
Thanks.............Ed
This manual was donated by Keith Williams. Thanks Keith!
Tyler (MD)
A special thanks to Alan Harry for lending us his collection of Ford factory Technical Service Bulletins, from which this was selected for today's posting. Thanks Alan!!!




Best NYC Baby Infant Daycare Childcare Manhattan
Curiosity compels me to ask! Anybody out there have drawings or instructions showing how to modify the gas tank mounting so that it wasn't part of the "hood/doglegs assembly". It'd be nice to be able to just remove the hood and nicer still if it could be hinged (as I've seen some here in the NTC forum I think)so removal is unnecessary!
Hi Conrad. You've posted your question in our reference library. We don't get much traffic here unless someone is looking for a manual. If you'll re-post your question in our "N Board" discussion forum (see the red menu bar at the top of your screen and click on that tab), I'm sure you will get some help there, as a lot more people hang out there.
Thanks.............Ed
I have a Dearborn mower Model 14-16 with a serial # 9769. I would like to rebuild it and use it to mow my CRP acres. If someone could please help me find places that could provide me with the correct parts. Thanks for you help.
Glen
Hi Glen. You've posted your question in our reference library. We don't get much traffic here unless someone is looking for a manual. If you'll re-post your question in our "N Board" and/or "Implements" discussion forums (see the red menu bar at the top of your screen and click on that tab), I'm sure you will get some help there, as a lot more people hang out there.
Thanks.............Ed
my 9n hydraulic lift arms come up to high causing the lower arms to hit the axle housing causing the pump to make an awful noise. I have the hydraulic lift arms off, can I pull out the hydraulic lift shaft and rotate it down?
wrong forum for this.
but what you need to do is pul lthe top cover after disconnectiong the control fork, and then set down with your fo4 manual and adjust that cover.. it's not cutting out when it is suposed to, either by linkage, or a stuck control valve.. so do make sure the control fork fully moves the valve in and out before pulling the top cover..
soundguy
This is a listing is for sale of two booklets and one sales folder for the model 501 rear mounted mower for the ford tractor of the 50's and 60's.. email me and I can send pictures ....I want $18.00 plus three dollars shipping by US mails.If intrestred you can call me on my cell phone at 919-935-9119 or email me at...rmcmulkin@aol.com..thanks Bob
Bob, would you please post for sale ads in the Ads forum, instead of our library?
Thanks..............Ed
This is listing for two booklets for the Ford Front end loader Model 703 One is a parts manual and the outher is a Owners manual.I want $15.00 for them plus $3.00 shipping by mail.If intrested you can call me at 919-935-9119 my cell or e mail me...At ; rmculkin.aol.com
This is a 1949 publication of the dealer parts book for the Dearborn model 19-1 Universal Frame that was used to allow attachment of the 19-2 Angle Dozer, 19-3 Snow Blade and 19-4 V-Snow Plow:

Please review our tutorial in our How-To's - Misc. section (Click here to go there) on how to best capture posted images to your PC to save, edit and print as you need. Printing them from your browser (Internet Explorer, FireFox, etc.) will NOT work reliably.


Here are scans of the Sherman Transmissions from a Ford Tractor parts catalog dated 1963. Exploded views and parts numbers are all included. Some parts may still be available from Case/New Holland, but I hear they are pricey.












Tim Daley(MI)
![]() | ![]() |
Hi Tim, do you happen to have parts list/manuals/installation instructions/brochure/etc for the step-up cable select version?
Thanks.










I was wondering if anyone knew how to remove the valves and guides. I can't figure if the valve and guide assembly are one piece and do the unscrew or a press fit? If anyone know how to remove the vales please let me know.
Thank you!
Do yourself a favor and go to Tractor Supply and buy a copy of the I&T FO-4 service manual. It covers the N series tractors. You most likely have the original mushroom stem valves and solid lifters. The recommended approach is to junk them and replace with the later design valves and adjustable lifters.
Go to "links" on this board. WWW.just8ns.com has most everything you need to build a Ford 8N in stock, and free technical advice.
Go to the "How-To's" section of this website. You will need a prying tool to compress the spring, and a hook tool or vise grips to pull the keeper. The valve and spring assembly then come out as a unit.
You will need a valve spring compressor to disassemble the unit.
Hi Ken. You've posted your question in our reference library. We don't get much traffic here unless someone is looking for a manual. If you'll re-post your question in our "N Board" discussion forum (see the red menu bar at the top of your screen and click on that tab), I'm sure you will get some help there, as a lot more people hang out there.
Thanks.............Ed
could anyone help? PTO works,However the drive pully on the mower turns but the drive shaft to the sickle bar pitman does not. Is there a shear pin or what could it be. I am stumped as to where to begin,since gaskets and misc are not available.Any suggestions would be appreciated. The mower,while cutting,just quit.----------- again the mower is a ford dearborn 502--14-233. Thanks for any help-------Ron/www.rez1414@juno.com
http://i7.photobucket.com/albums/y279/farmerdan/501maindrive.jpg
I only have the 501 manual so not sure if this will help or not but I figure it's worth a shot.
Hi Ron. You posted your question in our Manuals library and we don't get much traffic here - just people looking for a manual. If you will repost your question in our N Board and/or Implements forum(s), it will be seen by hundreds of people and you stand a better chance of getting a helpful response.
Thanks...........Ed
This is a supplement to the 801/901 Owner's Manual that was given to purchasers of the diesel version of those models. It was published in 1958:

Please review our tutorial in our How-To's - Misc. section (Click here to go there) on how to best capture posted images to your PC to save, edit and print as you need. Printing them from your browser (Internet Explorer, FireFox, etc.) will NOT work reliably.






I don't even know what to say, this made tihgns so much easier!












The N-Series Tractors were designed to pull a two-bottom plow, which was one of their primary jobs. It wasn't until the Hundred Series that a three bottom plow was introduced by Ford. However, some claim, the 8N will pull a three-bottom plow, but many will agree only if the soil conditions are loose sand! Contained here are the actual plowing instruction chapters exclusively for the Dearborn Plows, from 8N Operator Manuals. The Dearborn Moldboard Plow, or often called the Prior Model, was introduced in 1947 with the release of the 8N Tractor, and was produced from 1947 until 1950 when the Dearborn Economy Model plow was introduced, which had many design improvements. Please note that though similar in most design features, the Dearborn Moldboard Plow and the earlier Ferguson-Sherman Plow share some identical parts, but the most important feature, the cross shaft, is different on both plows. The Ferguson-Sherman Plow used an offset cross shaft, sort of like a crank shaft, whereas the Dearborn Moldboard Plow used a straight cross shaft bar. Adjustment for the Ferguson-Sherman Plow is available in the "Plow Manual" listed elsewhere in our library. The setups are different, but the part on how to plow a field is good for any plow. In 1950, Ford/Dearborn engineers realized the flaws in the Prior Model Plow and completely redesigned the plow. One major flaw was the cam-lock device that was to keep the setting of the cross shaft locked in would fail under load, thus causing the cross shaft to turn in the field and one losing his settings. Ford/Dearborn then introduced the world to the Economy Plow, produced from 1950 on through the end of Dearborn then in 1955, the Ford Tractor Division, production runs.
The Dearborn Moldboard (Prior Model) Plow came in three major Model numbers -Model 10-10 was a 10" two-bottom plow, Model 10-8 was a 12" two-bottom plow, Model 10-1 was a 14" two-bottom plow, and a 16" single bottom plow, of which I have no model number. The 10" plow was not introduced until 1949, and only prodused for one year, and had Scoth bottoms. Therefore this first section on plowing instructions is taken from the first 8N Operator's Manual, dated July 7, 1947, and does not have setting figures for the 10" model.
The best advice I can offer for learning to plow is read these directions first and do your best playing around experimenting to get the 'feel' of how it reacts. Once you get going and decide to plow the back forty, place the tractor in 2nd gear, keep the throttle set at around the 7/8 mark, and look in front of you. If you try to watch behind at what you are doing, you are going to make crooked furrows! Pick out a landmark further away and aim for it. This will keep your first furrow nice and straight. Subsequent furrows will follow your first one if you keep your eyes straight ahead and stay inside the furrow wall with your right front tire. Have fun and above all, BE SAFE!
Tim 'PloughNman' Daley(MI)
The Dearborn Moldboard [Prior Model] Plow, produced from 1947-1950:

See the Master Parts Catalog elsewhere in our library for details on parts. Bear in mind that none of these parts are no longer produced so locating shares, moldboards, and other wear parts is extremely difficult. A good blacksmith can probably reproduce these if you have an original he can go by. Check your local Amish community or attend an old time farm show and you will likely find a good blacksmith. Their prices may be in the range of just buying another used plow though.









Enjoy, and BE SAFE!
The Dearborn Economy Plow, introduced in 1950 to replace the earlier Dearborn Moldboard [Prior Model] Plow:

...and the 1-Bottom Economy Plow:

Tim 'PloughNman' Daley(MI)
Plowing Instructions For The Dearborn Economy Plow Mounted On The Ford Tractor:






missing pages...

Enjoy and BE SAFE!
Tim 'PloughNman' Daley(MI)
Where can I find some info on these. I have done some searching but not coming up with any info on actual manuals or detailed threads on installation. Thanks
Haven't seen any lit on them, but we have folks here who have them. I'd suggest posting a question in the N Board forum and hopefully some of them will respond.
I have a 48/49 Ford 8N with a weak PTO. It is leaking and I know that I need to replace the seal I just don't know how. Any help or link to a free manual would be very much appreciated.
Hi Paul. You've posted your question in our reference library. We don't get much traffic here unless someone is looking for a manual.
If you'll re-post your question in our "N Board" discussion forum (see the red menu bar at the top of your screen and click on that tab), I'm sure you will get some help there, as a lot more people hang out there.
Thanks.............Ed
I am looking for the owners manual and the parts and service manual for a 1971 International Harvester model 2444 tractor. If anyone has a copy of either or knows where I could get one I would really appreciate it. Thank you
Hi Casey. We pretty much only have info on Ford & Ferguson tractors here. You may want to re-post your question in our Off Topics forum, where it will be seen by more people and you'll have a better chance of getting help. This forum does not get much traffic, as only folks looking for manuals come here.
Good luck in your search...........Ed
I'm looking for parts for the referenced mower. Specifically, 2 drag bar eye bushings: OM part #141395. Can anyone direct me to a possible source?
Thank you
Hi Greg. You've posted your question in our reference library. We don't get much traffic here unless someone is looking for a manual. If you'll re-post your question in our "N Board" and/or "Implements" discussion forum(s) (see the red menu bar at the top of your screen and click on that tab), I'm sure you will get some help there, as a lot more people hang out there.
Thanks.............Ed
Due to popular demand, we present the Ford Tractor N-Series Operator & Service Manuals here.

In 1947, Henry Ford II said goodbye and good riddance to Harry Ferguson and fired him from the Ford Motor Company that Harry and Henry Ford I formed with their famous 'handshake agreement' in 1938 to partner up and together produce the Ford 9N Tractor with Ferguson System. This paved the way for the introduction of the new Ford Model 8N Tractor, '8' being the designated number to denote model year, although the 8N tractor and the Dearborn implements actually began production in July, 1947. The Dearborn Motors Corporation, incorporated in 1947 also, would be the new distribution company of the Ford tractor and implement line to carry the Dearborn name. In addition to the new Ford Tractor, the first 8N operator and service manuals would also be released, and, as tractor production continued over a span of five years, engineering changes would require revisions to the manual, such as when the distibutor was moved to the right side from the front of the engine where it had been since its conception with the 9N Tractor. There were three 8N Operator Manuals, Form 3729, issued for the 1948 8N Tractor. They were released on July 7,1947; January 8, 1948; and August 18, 1948, and the 8N Service Manual was released on October 7, 1947. There was also a Maintenance and Operator's Manual for the 8NNN Industrial (stationary) Engine, Form IE 300-G-51.

The first Operator's Manual for the 8N Tractor was released on July 7, 1947. This coincided with the production of the 8N which also began in July, 1947. Note that the Model 8N is designated such as that the 8 signifies year of model release. Since 1947 already had the late 2N models, 1948 would introduce to the world the 'new, improved' Ford Tractor, with almost 50 engineering changes and thus, a completely new model. There would be three Operator Manuals for the first year, 1948. As 8N production ramped up over the coarse of the next five years, manual revisions would reflect the EC levels also. Interesting to note is that all the 8N operator manuals include a section on plowing with the Dearborn Plow in the last chapter. Always remember to be safe and read the manual first, especially if you are unfamiliar with the machinery. Enjoy and be safe.
OPERATOR'S MANUAL / 1948 FORD TRACTOR MODEL 8N -1ST EDITION, JULY 7, 1947---

JANUARY 8, 1948 EDITION, COVER-

AUGUST 18, 1948 E4DITION, COVER-




CHAPTER I DESCRIPTION AND SPECIFICATIONS -








8N OPERATOR'S MANUAL/PART ONE, CHAPTER II, CONTROLS and OPERATION -



















8N OPERATOR'S MANUAL/ PART ONE, CHAPTER III, STORAGE -


8N OPERATOR'S MANUAL/ PART TWO, MAINTENANCE AND TROUBLESHOOTING, CHAPTER I -





8N OPERATOR'S MANUAL/ PART TWO, CHAPTER II, TROUBLESHOOTING -


















8N OPERATOR'S MANUAL/ PART THREE, CHAPTER I, WHEELS, TIRES, AND BRAKES -





8N OPERATOR'S MANUAL/ PART THREE, CHAPTER II,STEERING ASSEMBLY & FRONT AXLE -



8N OPERATOR'S MANUAL/ PART THREE, CHAPTER III, ENGINE & CLUTCH -








8N OPERATOR'S MANUAL/PART THREE, CHAPTER IV, FUEL & EXHAUST SYSTEM and CHAPTER V, COOLING SYSTEM-







8N OPERATOR'S MANUAL/ PART THREE, CHAPTER V, COOLING SYSTEM-



whitch manual should i buy have a old 8n i think its 1950 or a 52 has sherman loader and hoe all work but need to service seals and want to do needed adjustments and buy filters etc to keep her in good order i am a mechanic and been on the farm my whole life but this tractor is 30 years older then me any information is appreciated jason knox whitman ma 508 933 4728
8N OPERATOR'S MANUAL/PART THREE, CHAPTER VI, ELECTRICAL SYSTEM, AND CHAPTER VII POWERTRAIN






8N OPERATOR'S MANUAL/PART THREE, CHAPTER VII, POWERTRAIN-



8N OPERATOR'S MANUAL/PART THREE, CHAPTER VIII, HYDRAULIC SYSTEM-









This is the last section in the 8N Operator's Manual. Please note that back on page 6 the opening paragraph under "Description" begins, "The Ford two-bottom plow tractor...". The N-Series Tractors were designed to pull a two-bottom plow, their primary job. It wasn't until the Hundred Series that a three bottom plow was introduced by Ford. The 8N will pull a three-bottom plow if the soil conditions are loose sand, but they are for all practical purposes a two-bottom plow tractor. This section is for the Dearborn Moldboard Plow, or often called the Prior Model. The Dearborn Economy Model plow was introduced in 1950 and had many design changes. This section only deals with the Prior Model. Also note that though similar in most design features, the Dearborn Moldboard Plow and the earlier Ferguson-Sherman Plow share some identical parts, this part of the 8N Manual only deals with the Dearborn Plow. The setup is different but the part on how to plow a field is good for any plow. Refer to the Ferguson Plow manual listed in our library for setup instructions. The Dearborn Moldboard (Prior Model) Plow came in three major Model numbers -Model 10-10 was a 10" two-bottom plow, Model 10-8 was a 12" two-bottom plow, Model 10-1 was a 14" two-bottom plow, and a 16" single bottom plow. Setup instructions only refer to these models as the cross-shaft is different on the later Economy Plow and the earlier Ferguson-Sherman Plow.
8N OPERATOR'S MANUAL/PART FOUR, PLOWING INSTRUCTIONS-









Farmer Dan Howe contributed these very interesting and historical tests, conducted by the University of Nebraska, on the Ford/Ferguson 9N tractor.
Here's the application for the test:









Click here to download the entire application as a pdf file.





Click here to download as a pdf file.






Click here to download test results as a pdf file.






Click here to download the test results as a pdf file.


Click here to download the entire test documentation shown above as a single Adobe pdf file.
Caution - this is almost a 5MB file - will take a long time to download if you are using dial-up Internet access.
Has anyone hooked one of these up to a modern tractor. I have a JD 5225 that I would like to mount this mower on. Any ideas of how to modify the braces?
Hi Pat. You've posted your question in our reference library. We don't get much traffic here unless someone is looking for a manual. If you'll re-post your question in our "N Board" and/or "Implements" discussion forum (see the red menu bar at the top of your screen and click on that tab), I'm sure you will get some help there, as a lot more people hang out there.
Thanks.............Ed
Special thanks to Alan Harry for donating this to our library. The document contains installation instructions for installing the Twin-Draulic front end loader on an 8N, 600, 800 and Ferguson TO35 tractors.
Please review our tutorial in our How-To's - Misc. section (Click here to go there) on how to best capture posted images to your PC to save, edit and print as you need. Printing them from your browser (Internet Explorer, FireFox, etc.) will NOT work reliably.






I was wondering if anyone has a good parts source for this PTO mower deck. I need blades, belts and spindles. Thanks!
Hi. You've posted your question in our reference library. We don't get much traffic here unless someone is looking for a manual. If you'll re-post your question in our "N Board" and/or "Implements" discussion forum (see the red menu bar at the top of your screen and click on that tab), I'm sure you will get some help there, as a lot more people hang out there.
Thanks.............Ed
Does anyone have a operating manual or AO manual for a Dearborn Disc Model 11-13 ???
TIA. ShowMeGuy
Hi Guy-
Hope you found the A/O Manual in our Disc Harrows section. The MAster PArts catalog isn't listed yet but if you are looking for something, let us know. Both Ed and I have the MPC so just holler. Once you ackmowledge you have the A/O Mnualk fro here, we willprobaly delete or move your post as we lik eto keep the MANUALS libray strictly for tht purpose. Questions like yours would have had prompt answers if you posted on either the Implements page or regular N-Board. So don't feel offended if you see this post dissappear in a week or so. Thanks and reply to this when you are OK with it...
Tim Daley(MI)
NTC ADmin.
If you are looking for an operators manual for a tandom disc pull type 11-13, go to the top red bar, click manuals. From there click on the index of manuals in yellow, then go to harrows and then look for the 11-13. Hope this helps.
Yeah..I took a look in there prior to posting. There isn't anything in the index fro a 11-13....
ShowMeGuy
Yep, it's there.
Click on "Index of Manuals"
Click on "Harrows"
Click on "Dearborn 11-12, 11-13, 11-14, & 11-15 Disc Harrows (Pull-type) - Owner's Manual [+]"
DUH! found it... ;)
It is grouped with the 11-12, 11-13, 11-14, and 11-15 in the manuals index under harrows.
Seems they must all be about the same thing. Hope this helps!http://www.ntractorclub.com/forums/manuals/messages/3143.html
From Chuck Lyons:
Hi:
As the present owner of several 10-14 Dearborn plows (Dad farmed with one for the years I was a kid, so I had to have it), in order to replace the small parts that seem to always come up missing when you buy one, I made up AutoCAD drawings with which a person can go to any steel service center that has a laser cutter and have them cut the wrench and trip bars from common A36 plate. I'd like to see these drawings made available to other Dearborn Implement owners through your website. The brackets must be fabricated from angle steel; they can't be laser cut. The wrench and bars come out looking real nice from the laser cutter, and even better if you spend a little time with a file smoothing up the edges.
(Yes, I know there's a guy who's repopped these trip bars, but a friend of mine bought two of his bars, at a much heaftier price {not to mention the shipping} than the ones I repopped at a local steel service center via my drawings, and they failed the first time he used them, so that's not the way to go.)
I'm attaching the AutoCad files. Ownership of the drawings remains with me, but your members are free to use them to make parts for equipment they own.
Sincerely,
Chuck Lyons
Challenge Hill Farming Co Museum
Trip Bar Brackets for 10-14 Dearborn Two Way Plow
Trip Bar for Dearborn 10-14 Plow
Wrench for Dearborn 10-14-Plow
I have a Dearborn 10-14 two way plow which is missing the trip bars. I would like to know the overall length of a trip bar so that I can get some fabricated.
Kay, you've posted in our library, which doesn't get much traffic. If you will re-post your question in our "N Board" and/or "Implements" forum(s), it will be seen by MANY more people and you'll have a much better chance of getting those measurements.
I am looking for the dimensions of the trip bar for a Dearborn 10-14 plow. If anybody knows I will greatly appreciate getting them.
Kay, please look at the red menu bar at the top of your screen, and click on "N Board" and/or "Implements" to post your question. No one will read it here in our library, but hundreds of people will see if it you post your question in one of our discussion forums as suggested.
Thanks.............Ed
I picked this up recently, FORD document form 3695-47, "Repair Manual FORD 4-Cylinder Engine 1941-1947" released July 7, 1947. Coincidently this is the same date that the original '48 8N Manual and its Service Manual were released. All have the same information, with the Service Manual and this Engine Manual going into further detail. Penciled in is the name of the previous owner on cover got me to looking in the phone book as this town is near me but I came up empty. The zip code listing means he wrote it at least in mid/late 1960's. It is not that long of a manual and I scanned it two pages at a time so if you follow the "How To Save" instructions, you can print it out, fold each page in half, and staple them all together for a neat little book. Enjoy.
Tim Daley(MI)

FRONT COVER-

FRONTISPIECE-

FOREWARD-























ENJOY
Tim Daley(MI)
This is an owner's manual that came with very early Ferguson Agricultural Mowers, that may have preceded the A-EO series mowers:

Please review our tutorial in our How-To's - Misc. section (Click here to go there) on how to best capture posted images to your PC to save, edit and print as you need. Printing them from your browser (Internet Explorer, FireFox, etc.) will NOT work reliably.








Good morning!
I purchased a D-EO-20 hay rake to restore and use on our farm. Overall it is in good condition. One connect from the bar to the wheel is not correct - missing bearing or bushing - and I am sure I'll need some tines at some point.
I would appreciate anyone who has operator or parts manuals sharing a copy (I am happy to pay).
Also, if anyone has part, drop me a line.
Thanks.
Ames
Hi Ames. You've posted your question in our reference library. We don't get much traffic here unless someone is looking for a manual. If you'll re-post your question in our "N Board" and/or Implements discussion forum(s) (see the red menu bar at the top of your screen and click on that tab), I'm sure you will get some help there, as a lot more people hang out there.
Thanks.............Ed
Thanks Ed. I am looking for manuals - operator manual or parts manual.
Ames
I understand, Ames. But, virtually no one will see your request fot them here. This section is not very interactive at all. Hundreds of people will see your request if you post it in our Implements and/or N Board forums.
Best of luck in your search.................Ed
I need a schematic for a Ford 3930. The original owners manual has nothing. The I&T manual has a worthless layout in the back that doesn't help at all.
Hi Brian. You've posted your question in our reference library. We don't get much traffic here unless someone is looking for a manual. If you'll re-post your question in our "N Board" discussion forum (see the red menu bar at the top of your screen and click on that tab), I'm sure you will get some help there, as a lot more people hang out there.
Thanks.............Ed
I recently purchased a Ford 14-400 hay rake. I need some parts for it and would like to know if anyone out there knows where I might locate some.
Hi Larry. You've posted your question in our reference library. We don't get much traffic here unless someone is looking for a manual. If you'll re-post your question in our "N Board" and/or Implements discussion forum(s) (see the red menu bar at the top of your screen and click on that tab), I'm sure you will get some help there, as a lot more people hang out there.
Thanks.............Ed
Another nice one donated by Paul Haas. Thanks again, Paul!!

Please review our tutorial in our How-To's - Misc. section (Click here to go there) on how to best capture posted images to your PC to save, edit and print as you need. Printing them from your browser (Internet Explorer, FireFox, etc.) will NOT work reliably.














Paul Haas donated this 1974 reprint of the dealer parts book for the Ford Series 515 Rear Attached (Sickle) Mowers. Thank you, Paul!!

Please review our tutorial in our How-To's - Misc. section (Click here to go there) on how to best capture posted images to your PC to save, edit and print as you need. Printing them from your browser (Internet Explorer, FireFox, etc.) will NOT work reliably.



























SteveMT contributed this very nice parts brochure that was issued by dealers during WW II for 9N and 2N Ford tractors:
.jpg)
.jpg)
.jpg)
.jpg)
.jpg)
.jpg)
I have a NNA Ford Tractor and I could use some information concerning the use of lubricants. If my memory serves me right The transmission the hydraulics and differenial can all use the same oil lube these day? Other words one modern day lube will work for the(3)systems mentioned above.
Also where do I find the the Plugs to put the lubricant in the three different systems?
Any help in this area would be a appreciated.
Hi Robert. You've posted your question in our reference library. We don't get much traffic here unless someone is looking for a manual. If you'll re-post your question in our "N Board" discussion forum (see the red menu bar at the top of your screen and click on that tab), I'm sure you will get some help there, as a lot more people hang out there.
Thanks.............Ed
does anyone know where or if i can get spools seals for a 54c 6 valve
If they are a lip-type seal, you can probably get them through an auto parts store or a bearing/power transmission supply house. .....MSCDirect.com or McMaster-Carr may also have them, if you know the ID, OD, and width (thickness).
These do not seal high-pressure, so any lip-seal with the proper dimensions should work.
You happened to make this post in the MANUALS section of this forum. ....You will get more responses if you post under the N BOARD forum (see the red bar above).
Paladin Bob donated this service manual for you Funky Ford owners out there with the Ford 6-cylinder engine installed. Thank you, Bob!!

Please review our tutorial in our How-To's - Misc. section (Click here to go there) on how to best capture posted images to your PC to save, edit and print as you need. Printing them from your browser (Internet Explorer, FireFox, etc.) will NOT work reliably.








You mean I don't have to pay for expert advice like this anmyroe?!





















Does any one know where I might find the manuals for an old Dearborn MB Sweeper?
Ed posted some pages from an ad for it but I haven't been able to locate any
operation or parts manuals.
I submitted a request to MB Companies but haven't heard back yet.
Thanks,
Al
Al, found a price list and another ad for the sweeper. No owner's manual, unfortunately.

This is the back side of the page you posted below:

http://i7.photobucket.com/albums/v326/fishinchips/Tractors/MB_8N-NAA_brochure.jpg
I received a reply from M-B Companies.
They replied that the sweeper has been obsolete for many years
and they have no manuals available.
The sweeper I have is the M-B Model 8N as shown in the attached
brochure.
Does anyone have any informaiton on these?
Thanks,
Al
http://cgi.ebay.com/ebaymotors/MB-M-B-Sweeper-Service-Parts-Operators-Manuals-Lot-3-/300519373672?pt=Motors_Manuals_Literature&hash=item45f859bb68
Do you Ebay Al? I don't.
Greg,
I had already checked with the seller.
They are all hydraulic motor driven units for Ford Industrial Tractors.
Thanks for looking though,
Al


Please review our tutorial in our How-To's - Misc. section (Click here to go there) on how to best capture posted images to your PC to save, edit and print as you need. Printing them from your browser (Internet Explorer, FireFox, etc.) will NOT work reliably.
This is a 1956 dealer ad brochure that gave prospective customers information on the various front and read blades that were available for Ford tractors at that time:




Please review our tutorial in our How-To's - Misc. section (Click here to go there) on how to best capture posted images to your PC to save, edit and print as you need. Printing them from your browser (Internet Explorer, FireFox, etc.) will NOT work reliably.
Regarding manuals for the front mount snow blade.
It does not show the diagram for this, or the next page.
Is it possible to get this?
I'm not seeing any missing pages, Larry. It's an advertising brochure and should only have 4 pages. How many are you seeing?
I can see all 4 of the pages now.
I now have this blade mounted on my tractor.
It is bolted to the front mount, on the bottom holes.
The front mount is wider on top of the holes so it leaves about 1/2 inch
gap between the frame and the front mount. Will this put too much stress
on the front mount?
Also i have it bolted to the bottom of the transmission.
The frame also a flange on each side so it can be bolted to
the side of the transmission. Is it necessary to use this side bolt?
I can see all 4 pages now.
I now have this blade mounted on my tractor.
It is bolted to the front mount, on the bottom holes.
The front mount is wider on top of the holes so it leave about 1/2 inch
gap between the frame and the front mount. Will this put too much stress
on the front mount?
Also i have it bolted to the bottom of the transmission.
The frame also has a flange on each side so it can be bolted to
the side of the transmission. Is it necessary to use this side bolt?
I need the page assembly for the 19-3 dozer and snow plow blade.
I need the page for the front dozer blade and snow plow.
ESTIMATES, I AM LOOKING FOR A MANUAL HYDRAULIC SYSTEM OF TRACTOR FORD 3000, 1967, you can help.
THANKS
Ford tractor publication from probably the early sixties.




























































This is an ad brochure for the Ford 8000 tractor that would have been given to prospective buyers by Ford dealers:

Please review our tutorial in our How-To's - Misc. section (Click here to go there) on how to best capture posted images to your PC to save, edit and print as you need. Printing them from your browser (Internet Explorer, FireFox, etc.) will NOT work reliably.














This is a 2-page dealer ad brochure on the industrial model 9N Ford-Ferguson tractor:


Please review our tutorial in our How-To's - Misc. section (Click here to go there) on how to best capture posted images to your PC to save, edit and print as you need. Printing them from your browser (Internet Explorer, FireFox, etc.) will NOT work reliably.



Al (CT) donated this dealer ad brochure that he purchased from John Locke (aka Rusty Nuts). It covers a variety of Superior Loaders (110, 120, 220, 300, etc.). Thanks very much for sharing this, Al!!

Please review our tutorial in our How-To's - Misc. section (Click here to go there) on how to best capture posted images to your PC to save, edit and print as you need. Printing them from your browser (Internet Explorer, FireFox, etc.) will NOT work reliably.



I have a International B414 with a utility loader, I am looking to buy a new bucket cylinder,I need to know where I can get parts. Thank you Phil
Phil, you've posted your question in our Manuals library and we don't get much traffic here. If you will repost in our Off Topics forum (because we are primarily a Ford tractor website), it will be seen by hundreds of people and you stand a better chance of getting some help.
Thanks..............Ed
I have a International B414 with a superior utility loader, I am looking for a parts book an a place to obtain parts, I need a bucket cylinder,or a new head assembly. Phil
Phil, please click on the link below and post your question in that forum. No one will see it here.
Thanks................Ed
I have a International B414 with a superior utility loader, I am looking for a parts book an aplace to obtain parts, I need a bucket cylinder,or a new head assembly. Phil


I have a superior loadermodel H 228 S I need a new clyinder head ,where can I obtain parts for it.
Hi Philip. You've posted your question in our reference library. We don't get much traffic here unless someone is looking for a manual. If you'll re-post your question in our "N Board" and/or "Implements" discussion forum(s) (see the red menu bar at the top of your screen and click on that tab), I'm sure you will get some help there, as a lot more people hang out there.
Thanks.............Ed
I have a superior loader model H228 S I am looking for a partbook to buy a new povit head for bucket cylinder. PhilFZVF
Hi Philip. You've posted your question in our reference library. We don't get much traffic here unless someone is looking for a manual. If you'll re-post your question in our "N Board" and/or "Implements" discussion forum(s) (see the red menu bar at the top of your screen and click on that tab), I'm sure you will get some help there, as a lot more people hang out there.
Thanks.............Ed


really need superior loader manual that I have on jubilee?
Wagner Power Loader (100,110,130,150, & 200 models) for 9N thru hundred series - Owner's Manual
I recently won an 8n air pump on E-Bay Would like some info on it. Manuel if possible. I have looked for info on unit but can't find anything It fits on the Power Take Off. It is just a piston running in housing, But I don't know it was held Thank you Bob
Hi Bob. You've posted your question in our reference library. We don't get much traffic here unless someone is looking for a manual. If you'll re-post your question in our "N Board" and/or "Implements" discussion forum (see the red menu bar at the top of your screen and click on that tab), I'm sure you will get some help there, as a lot more people hang out there.
Thanks.............Ed
http://www.ntractorclub.com/forums/manuals/pdfs/FarmallA_Owners_Manual/Cover.gif
From my grandfather's collection. His Farmall A owner's manual.
10 megs and about 50 pages.
Tyler
A simple black & white 4 page manual on hydraulic remotes for NAA. Sorry about the poor quality. The scans look great when accessed directly from my hard drive, but photobucket seems to "dumb down" the resolution. I can email the actual jpegs if anyone wants a good copy.




Jim,
Appreciate the addition but Tim Daley posted this information awhile back.
If you want me to delete it I can.
Thanks again,
Tyler
This is a 1950 publication of the Assembly and Operations Manual for the Dearborn-Wood Bros. model 16-23 and 16-24 combines:

Please review our tutorial in our How-To's - Misc. section (Click here to go there) on how to best capture posted images to your PC to save, edit and print as you need. Printing them from your browser (Internet Explorer, FireFox, etc.) will NOT work reliably.


















































































It must have been a hell of a job to scan this manual. Thanks for all this beautiful information!
This is a 1950 publication of the Operating and Assembly Instructions (owner's) manual for the Ferguson A-EO-B20 Agricultural Mower:

Please review our tutorial in our How-To's - Misc. section (Click here to go there) on how to best capture posted images to your PC to save, edit and print as you need. Printing them from your browser (Internet Explorer, FireFox, etc.) will NOT work reliably.

















This is a general instruction manual for the Freeman (since purchased by Bush Hog) 2000 loader:

Please review our tutorial in our How-To's - Misc. section (Click here to go there) on how to best capture posted images to your PC to save, edit and print as you need. Printing them from your browser (Internet Explorer, FireFox, etc.) will NOT work reliably.




http://www.ntractorclub.com/forums/manuals/images/harvesters/CaseModelACover.gif
The PDF is 24 megs (94 pages). Not for the dial-up guys. :-)
Tyler
Photo donated by Keesjan Wardenaar from his father's collection:

http://www.ntractorclub.com/forums/manuals/images/harvesters/CaseModelAPickupAttachmentCover.gif
Case Model A Combine - Pickup Attachment Operator's Manual suppliment.
2 meg file, 8 pages.
Tyler
http://www.ntractorclub.com/forums/manuals/images/harvesters/CaseCombineEngineCover.gif
This is a suppliment for the engine used on our Case Model A Combine.
3 megs, 7 pages.
Tyler
Keesjan has contributed a 3rd combine dealer ad brochure to our library. This is a 1955 publication for the Ford 6-foot combine:

Please review our tutorial in our How-To's - Misc. section (Click here to go there) on how to best capture posted images to your PC to save, edit and print as you need. Printing them from your browser (Internet Explorer, FireFox, etc.) will NOT work reliably.











Keesjan Wardenaar has donated another nice offering - a 1954 dealer ad brochure for the Dearborn Wood Bros. 16-23/24 and 16-37/38 Combines:




Please review our tutorial in our How-To's - Misc. section (Click here to go there) on how to best capture posted images to your PC to save, edit and print as you need. Printing them from your browser (Internet Explorer, FireFox, etc.) will NOT work reliably.
Thanks to Keesjan Wardenaar, another NTC participant from "across the pond" (Netherlands) for contributing this nice 1948 dealer ad brochure for the Dearborn Wood Bros. 16-1 and 16-2 Combines:


Please review our tutorial in our How-To's - Misc. section (Click here to go there) on how to best capture posted images to your PC to save, edit and print as you need. Printing them from your browser (Internet Explorer, FireFox, etc.) will NOT work reliably.
Harry Van Eaton just donated an original dealer ad brochure for the Case "A" 6-foot Combine:

Please review our tutorial in our How-To's - Misc. section (Click here to go there) on how to best capture posted images to your PC to save, edit and print as you need. Printing them from your browser (Internet Explorer, FireFox, etc.) will NOT work reliably.















test
Hey Ed
On the regular forum you might have seen I had the wrong lift cover assembly info.I have looked for the right one and don't see it.I know you would have it.YOU DA MAN
Ed V.
This is a 1955 publication of a dealer's Master Parts Book for Blades, Scoops and Universal Frames:

Please review our tutorial in our How-To's - Misc. section (Click here to go there) on how to best capture posted images to your PC to save, edit and print as you need. Printing them from your browser (Internet Explorer, FireFox, etc.) will NOT work reliably.






.jpg)







































Alan Todd, our N-friend from Scotland, sent me this war-time 9NAN Owner's Manual that he just found. It includes instructions for alternative fuel system supplied on almost all N's sold in the UK during that period.
Thank you, Alan!!!!
Please review our tutorial in our How-To's - Misc. section (Click here to go there) on how to best capture posted images to your PC to save, edit and print as you need. Printing them from your browser (Internet Explorer, FireFox, etc.) will NOT work reliably.














Im have just seen the manual that Ed Gooding posted.It says to put the same weight oil that the engine uses.I take it that means like 30 weight oil.Also it's hard to believe you can get 4 and a half gallons of oil into those pipes.Please reassure me this is what I'm reading.Need to get this thing going.Snow is a comen.
Hi Ed. You've posted your question in our reference library. We don't get much traffic here unless someone is looking for a manual. If you'll re-post your question in our "N Board" discussion forum (see the red menu bar at the top of your screen and click on that tab), I'm sure you will get some help there, as a lot more people hang out there.
Thanks.............Ed




















This is a 1959 publication of a dealer parts book for the Ford Series 901 (22-47, 22-60 and 22-70) rear-mounted rotary mower:

Please review our tutorial in our How-To's - Misc. section (Click here to go there) on how to best capture posted images to your PC to save, edit and print as you need. Printing them from your browser (Internet Explorer, FireFox, etc.) will NOT work reliably.




















Pictorial breakdown of the Gear Head
Page 1 of the Parts List
Page 2 of the Parts List
Disassembly Instructions
Many thanks to Rich Wyman who came up with the Pictorial and Parts List and
also provided editing for the Disassembly Instructions.
I have broke hydralics on a 9N serial 40 (the best I can tell). The 3 point goes up but now won't come down. I have yet to find the gear oil dipstick referenced nor is there a hole for dipstick on the right side plate. Now, I am perplexed as to how to start with basics of checking level. I have an IT shop manual FO-4 but no joy on a stickless 9N.
The tractor sits 120 miles from me in a field so I need to make the best educational stab each trip. All input appreciated such as is there a dipstick kit or alternative method? I thank you all.
Hello. You've posted your question in our reference library. We don't get much traffic here unless someone is looking for a manual. If you'll re-post your question in our "N Board" discussion forum (see the red menu bar at the top of your screen and click on that tab), I'm sure you will get some help there, as a lot more people hang out there.
Thanks.............Ed
Thanks.
service manual for a 3 point mower (bush hog type)The data plate has only "FORD" Componet 22-L27 & SN# I507. i cant find a service/Repair manual can anyone help me out / Thank You QWWS
Take a look at the manuals we have here for the Ford 901 and 930 Rotary Mowers - may be enough info between the two to tell you want you need to know. If not, feel free to ask specific questions about what you need to solve in our "Implements" and/or "N Board" forums. I'm sure someone has been where you want to go and will be willing to help.
Hope this helps............Ed
'52 8N475798
The mower in question is like the Ford 901. My problem is I have a broken input drive shaft to the mower gear box. How do you remove input drive shaft from the mower gear box assembly? I can not find or locate a parts breakdown for the mower gear box drive unit. Thanks again you have been very helpful.
I'm not sure, but I'll bet if you post your question in our N-Board forum, someone there will know. Since this is our library, we get very little traffic. Hundreds of folks read our N Board posts and I'm willing to bet someone there will be of help to you.
Best of luck with it............Ed
I have a Dearborn 10-216 moldboard plow. Both brackets to the top link are bent badly. Are these brackets still available and where. Are they interchangeable with other Dearborn plows. Also is there an owners/parts manual available.
Thank you.
Hi Harold-
First I just want to remind you that you posted your qusetion in our MANUALS forum, no sin, but you'll get more exposure on the IMPLEMENTS or regular N-BOARD forums. I can tell you that you have a 14" Economy Plow and the good news is you can get points, landsides, and moldboards still. What I think you are saying is your upright 'A' Frames are bent but major parts liek taht are not made anymore. You can look for another plow to cobble parts off of, or try our LINKS forum for Scot at Sweigard Bros or George Bradish Tractor Parts for those kinds of parts. Sometimes they have them, sometimes they don't. Your 216 is basically the same as a 10-156 model. The bottoms were different but nowadays they are all the same.
Tim Daley(MI)
Looking for manuals and parts for a Dearborn plow model 10-1 (3 point 2 bottom). Any good leads where I might find one or both??
Ron, if they were snakes, you'd already be bit, buddy..........LOL They are posted right here where you left this message.
Click on "Index to Manuals", then click on "Plows" and you'll see both the owner's manual and a dealer parts book for the 10-1 plow.
Hope this helps............Ed
'52 8N475798
These scans are off a cheap photocopy manual I bought on fleabay thinking I was getting the real thing. Oh well...at least I didn't pay much for it. The copy quality is actually pretty good. Hopefully it will be good enough to help someone here. I also now have the manual in pdf format on my hard drive. If you want a pdf copy emailed to you, just send me an email.
Here is the front cover, basic frame setup and installation.












Ladies and Gentlemen,
Ed Gooding, "Jack" and Dean, broke all the rules on the anonymous politics board and posted the IP address of a visitor!!
This happened because the visitor had a different view or opinion of the these three handle names (could actually be the same guy).
I'm sure you understand my point since everyone gave up on these guys a while back and only three or four people post anyway.
You just can't post the IP address of a blogger, it breaks all the rules and shows the true colors of the board!!
Thanks to Tim Daley for posting the Ferguson plow manual back in 2008. I recently got an old MF # 62 double bottom plow, and have been rebuilding it and looking for a manual. Thanks to Tim I now have one :)
Sean
Is there a right and a wrong way to replace the ring assy. when replacing the hydraulic pump together.
Hi Larrie. You have posted your question in our manuals library and it doesn't get much traffic. If you re-post your question in our "N Board" and/or "Implements" forum(s), it will be seen by hundreds of people and you will have a better chance of getting a helpful answer.
Regards.............Ed
I have a 48 8N with a Davis Skylift model 4982. Has anyone heard of this model? I have looked everywhere and cannot find any. Want stop bucket cylinder from leaking.
Hi Gerry. I've heard of the Davis Skyliner loader, but not a Skylift model - doesn't mean there wasn't one, though. You can most likely get the parts for your cylinder from any local hydraulics repair shop in your area. Take the cylinder in with you, or remove the parts from the cylinder and take them with you to help them help you get the right parts. We've got a couple manuals for Davis loaders here that may provide some guidance to you.
Hope this helps..........Ed
Hi Ed,
I'm trying to save the manuals for the Dearborn 19-3 Snowplow from the manuals section, and on the "Assembly and Attaching (5 pages)" part, the fourth jpeg down (second from the bottom) keeps coming up as just an "X" (Not showing the scan). Might be the problem is on my end, or it could be an incorrect address link to it.
Could you please check it for me and let me know?
Thanks.
Nope, my screw-up. Here's the page you need:

Sorry for the confusion............Ed
Can anyone tell me where I can get parts for my Dearborn 21-2 wagon?
Gary-
It depends on what you are looking for. Wheel bearings and races are available, the bushings are available, and the rest are no longer made. Post on our regular N-Board or IMPLEMENTS forum and you might get better exposure as Ed says. Alos, search the archives for my restoration project I did a fewyears back. I listed the parts I was able to obtain locally. Oilite bushings are still made.
Tim
Hi Gary. You posted your question in our manuals library and we don't get much traffic here. If you'll repost it in our "N Board" and/or "Implements" forums, it will be seen by hundreds of people and you'll have a better chance of getting a helpful response.
Thanks..........Ed
Hi,
Does any one have a pdf version of the manual for a king kutter 24"
dirt scoop, they can email me ? I just bought a used one last week.
Thanks Allen 49/8N
ag563@yahoo.com
You can download it directly from the King Kutter web site.


Tim Daley(MI)
Front cover and Tractor Service Policy


Introductory Info



Tractor Model and Serial Number

Controls and Instruments








Operation







Hydraulic System







Wheel and Tread Adjustment







Maintenance











Fuel System






Electrical System



Engine

Wheels, Brakes and Tires





Accessories


Specifications




Contents and Back Cover




Hi Ed,
I have scanned the manual for the 601 and 801 D and would like to get it posted on the Manuals page. Should I send it to you?
Mark N Biloxi
Hi Mark. You are welcome to post it if you like, or send it to me and I'll post for you. My email is open above.
Thanks very much.........Ed
Hey Ed,
When I scanned these, they are turned 90 degrees. Can you edit them for me? Is it too much work? Should I post them as is?
Mark N Biloxi
I cannot edit them after you post here. Are they .jpg format pics? You can load them into MS Paint or any similar program and rotate them 180° .
I had already posted the manual before I wrote you that I was unhappy with the scans. Anyway, It will be next week before I can get Dad's manual back in my hands to scan.
Mark N Biloxi
Ed,
The scans did not turn out that well. Some are out of focus and some are crooked. I am compelled to re-scan them. Whats your opinion?
Mark N Biloxi
Ed,
The scans did not turn out that well. Some are out of focus and some are crooked. I am compelled to re-scan them. Whats your opinion?
Mark N Biloxi
This ad brochure was donated to our library by Keesjan Wardenaar, who lives in Oude Meer, Holland. Thank you for sharing your literature with us!!




Please review our tutorial in our How-To's - Misc. section (Click here to go there) on how to best capture posted images to your PC to save, edit and print as you need. Printing them from your browser (Internet Explorer, FireFox, etc.) will NOT work reliably.
Dear sirs, i've got another brochure of the Ford tractor dearborn-wood bros. combine. Maybe it's nice to add it to the mauals on the site. Please mail me an e-mailadress where I can send the scans of the brochure to.
My grandfather has had such a combine from somewhere the fifties till the eighties. Unluckily I've never seen it in operation.
Greetings keesjan Wardenaar, Oude Meer, Holland.
You are welcome to send it to me and I'll be happy to post it for you. My email address is above - just click on it.
Or, you can store the brochure on a free photo posting site like Photobucket and post it here yourself. We have a tutorial on how to do this in our How-To's section. Whichever way you would prefer will work for us.
Thank you for sharing..............Ed
'52 8N475798
Howdy. I have a 9N and purchased a Ferguson Sickle Bar Mower (7')to take care of the roadside grass in our subdivision. It looks too big for this tractor, but perhaps I am too stupid! I believe I have a Cat 1 3 pt. hitch and this mower seems to be for a Cat 3. I am seeking advice.
Paul Trey Gallatin Gateway, MT
Hi Paul. Did you see the owner's manual we have here for your mower?
Also, you may want to post your question in our "Implements" forum. This is our library and doesn't get much traffic. More people will see your question in the other forum(s).
Welcome.........Ed
Ed, Thank you a million. My lift bar was bent on the right flange and that confused me as to how to put it on. Once I get that straightened in a day or so it should go together. The unit is in really good condition so I am hoping it will work well with my old 9n. The manual shows it hooked up to an n doesn't it.
Thanks again
Paul Trey
I just purchased a Dearborn 10-156 and it included a 10-63 Third Beam Conversion Kit. I would like to find a drawing, parts list, and instructions on how to add the conversion kit. Could you help? Jeff
Jeff, Click on Index to Manuals, then click on Plows, then click on the entry for the Dearborn Economy Plow - Assembly & Operations manual. You'll find the info you need there.
Hope this helps............Ed
'52 8N475798
I just purchased a Dearborn 10-156 and it included a 10-63 Third Beam Conversion Kit. I would like to find a drawing, parts list, and instructions on how to add the conversion kit. Could you help? Jeff
What type of oil or grease is used in the steering box on a 8n?
Thank you
You should post this in the N Board section. I think most guys use corn head grease.
I'm looking for a user manual for this, and a complete parts manual would be nice but I can get the break downs on parts from the the New Holland parts site. Looking more for user adjustments, etc. Thanks!
This is a pocket-sized spec book, published by Ford in 1962 and it covers specs on a wide variety of components on Ford tractors from the 9N through 800 series:

Please review our tutorial in our How-To's - Misc. section (Click here to go there) on how to best capture posted images to your PC to save, edit and print as you need. Printing them from your browser (Internet Explorer, FireFox, etc.) will NOT work reliably.





























Please review our tutorial in our How-To's - Misc. section (Click here to go there) on how to best capture posted images to your PC to save, edit and print as you need. Printing them from your browser (Internet Explorer, FireFox, etc.) will NOT work reliably.




























i have a davis (mid western industries)loader/backhoe mounted on a fordson major diesel. looking for information &/or parts to rebuild the control valves on the backhoe...any help or reference information would be appreciated. thanks.kf
Hi Ken. We have several manuals on Davis loaders here in our library. Click on "Index to Manuals" and then click on "Loaders" and you will see them. I think the only backhoe info we have is on the Sherman models.
Since this is our library and we don't get much traffic here, you may have better luck with answers to your questions if you post them in our "Implements" and/or "N Board" forums. We've got several participants here who own both Fordson's and Ford's.
Welcome............Ed
This is a 1950 publication of the "Assembly and Operating Instructions" for the Dearborn model 14-20 Side Delivery Rake:

Please review our tutorial in our How-To's - Misc. section (Click here to go there) on how to best capture posted images to your PC to save, edit and print as you need. Printing them from your browser (Internet Explorer, FireFox, etc.) will NOT work reliably.






Michael Waldchen (mike n mi)was kind enough to donate his copy of the dealer parts book (now from Bush Hog who acquired Freeman) for the Freeman 2000, 3000, 3500 and 4000 model loaders:

Please review our tutorial in our How-To's - Misc. section (Click here to go there) on how to best capture posted images to your PC to save, edit and print as you need. Printing them from your browser (Internet Explorer, Firefox, etc.) will NOT work reliably.
Thanks for posting the parts manual for a Freeman 4000.
Do you have an operators manual by chance? My loader works OK but when it gets hot it struggles and it will not hold the hydraulics when the tractor is off. I assume that it is a problem in the valves.
Any Thoughts?
Thanks, Greg
Hi Greg. Should be able to get the owner's manual from the Bush Hog web site - that's where this parts manual came from.
>> when it gets hot it struggles and it will not hold the hydraulics when the tractor is off. I assume that it is a problem in the valves. <<
Yeah, either the pump or control valve may be leaking once the fluid thins out. May just need o-rings if you get lucky.

































Thanks ED. That really helps


































































http://www.ntractorclub.com/eds_stuff/ford tractors/Implements/Loaders/Freeman Loaders/2000, 3000, 3500, 4000 Series - parts book/Page 1-3A-4 mainframe assembly.jpg
http://www.ntractorclub.com/eds_stuff/ford tractors/Implements/Loaders/Freeman Loaders/2000, 3000, 3500, 4000 Series - parts book/Page 1-3A-5 mainframe assembly.jpg
I have a 60's ford 2000 with a 4 cylinder gas motor, three point hitch and front loader. The front loader has two single action lift cylinders (gravity down), and a double action single bucket cylinder. The frame of the loader is the fluid reservoir and the pump is driven off the crankshaft. I am trying to drive a log splitter off the byd port but I don't know what the psi or gpm specs are for the pump, and I don't know what the loader model number is. I would like to install a spin on hydraulic filter into the return line but I need to know the gpm. The smaller filter, which is easily plumbed, is good up to 12 gpm but the larger filter is good up to 40 gpm. I was wondering if anyone knows the gpm spec for this general model. Sorry I don't have more specific information as to the tractor and loader numbers. Any help would be appreciated. Thank you
I'd bought some Dearborn implement parts manuals on ebay, and one of them contains my plow...or so I'd thought.
The 10-14 is not listed in the "Model Index", but a 10-82 sub-assembly (Group 1-1D FRAME ASSEMBLY, For Two-Way Plow) is shown, and 10-85 & 10-86 sub-assembly (Group 1-2F GENERAL PURPOSE BOTTOM, For Two-Way Plow) is listed, as well as a picture of the entire unit labeled as "Dearborn Two-Way Plow (Prior Model)" shown in the picture section of all their plows.
Anyone know why this might be?
The cover of the parts manual is dated December 1952.
Some very nice items in all the manuals....plows, loaders, mowers, corn picker and harvester, combines. Manuals themselves show some wear, but still good info. No measurements though (Which was what I was hoping for on the 10-65 rear loader so I can fab some parts).
The 10-14 and 10-82 were two models of the 2-way plow. Here's the cover of a temporary parts book that lists them:

Here's a video of one of these boys in action:
Hope this helps............Ed
'52 8N475798
I'm looking for the owner's manual for a Ford 702 loader. I just picked on up for cheap, and am in need of info. Thanks.
-Wes
Hi,
Does anyone have any info or manuals about the dearborn model 10-156 plow?
I just bought one today. Seems to be in good shape. found it just 3 1/2 miles
from my house. Got it for $100. Any info would be great. Thanks Allen 49/8N
The manuals are already posted here, Allen. Look for the owner's manual for the Dearborn Economy Plow - that's the one you have. If you want instruction on how to use it, refer to the "Plow Book" by Ferguson-Sherman.
Hope this helps............Ed
'52 8N475798
Could anyone help me find a part for dearborn sickle mower 14-1 sn1237? The part I need is part no 141109 head knife.
Hi Ron. You've posted your question in our reference library. We don't get much traffic here unless someone is looking for a manual. If you'll re-post your question in our "N Board" and/or "Implements" discussion forum(s) (see the red menu bar at the top of your screen and click on that tab), I'm sure you will get some help there, as a lot more people hang out there.
Welcome to the NTC.............Ed
This is the dealer parts book info for the Dearborn 11-5, 11-6, 11-7 and 11-8 pull-type tandem disc harrows:
.jpg)
Please review our tutorial in our How-To's - Misc. section (Click here to go there) on how to best capture posted images to your PC to save, edit and print as you need. Printing them from your browser (Internet Explorer, FireFox, etc.) will NOT work reliably.






HI:
This is my first post,i need deminsons for top link on a 14-15 sickle mower?
center to center of end holes, slot leingth, width & location from front hole?
Also center to center length of lift extension bars?
Thanks
Alvin whaley Dalton GA.
Alvin,
I understand what you are looking for. I need the same measurements or the original bracket and extensions would be great also. I read on an old post at another site that the lift extensions are 8 inches long. I don't have anything more that that. In the manual section under assembly figure 12 the lift extensions are items 4 and 6. The top length bracket is item 10 and the adjustment screws are referred to as 7. You really can't use the mower without these brackets. Someone somewhere has had to have built these in the past. I would guess a lot of 14-15 mowers have been sold without these brackets over the years.
Mr. Whaley,
I have been using a Dearborn 14-15 sickle bar mower for 11 years to cut about four acres of hay with a Massey Ferguson 240. I got the mower for free and it has worked well all these years so no need to change. Since a MF240 is larger than the smaller Fords, I have never used the top link. It is in good shape and I would be happy for you to have it to use as it was intended. Please contact me if you are interested.
Sincerely,
Paul Jalbert
Hi Alvin. You've posted your question in our reference library. We don't get much traffic here unless someone is looking for a manual. If you'll re-post your question in our "N Board" and/or "Implements" discussion forum(s) (see the red menu bar at the top of your screen and click on that tab), I'm sure you will get some help there, as a lot more people hang out there.
Welcome to the NTC.............Ed
We are having starting problems on our 8n from time to time and I think i have it narrowed down to voltage at the coil. The resistor block on the front of the instrument panel has full battery voltage on the before resistor side. The after resistor side sometimes only has 1.8 volts and sometimes has full batt voltage koeo. When cranking i usually get around 5.5 volts before resistor side and between 3.2 and 5.2 volts on the after side. If I run a wire directly from the battery to the top of the coil it will start every time, but will die as soon as i remove the jumper.
What is my problem?
thanks
sounds like a bad resistor block to me.
Ginny, you've posted your question in our library and we don't get much traffic here. If you will re-post it in our "N Board" forum, it will be seen by hundreds of Ford tractor owners and I'm sure you will get fast and friendly responses.
Welcome..........Ed
OK, Thanks a lot Ed.
Is anyone making the 8N steering Box Bolt grease fitting to put Corn Head grease in with? Thanks
Hi John. You've posted your question in our library and we don't get much traffic here. If you will re-post your question in our "N Board" forum, it will be seen by hundreds of other folks and I'm sure you'll get a quick, friendly and helpful response.
Welcome.........Ed
This is an insert from a dealer counter parts manual binder. Copyright date is 1969. The cover indicates it covers accessories and special items for Ford tractors from 1939 to 1964. I'll be slowly adding to this as I get time to scan more pages. This post shows the cover and index. Subsequent parts of the manual will be posted as replies to this post.




Thanks Jim, Lots of neat stuff in there.
Do you have a part number for the belts for a Ford Finish Mower 930A 22-WD-5150
Ser No YH 3838B It is a 60" mower width. Thank you








































































I must have missed it somewhere in the catalog. That's what I really need.
This is an April 1952 dealer parts book for the Dearborn model 20-7 Manure Spreader:

Please review our tutorial in our How-To's - Misc. section (Click here to go there) on how to best capture posted images to your PC to save, edit and print as you need. Printing them from your browser (Internet Explorer, FireFox, etc.) will NOT work reliably.


















This is a 1952 publication of the Assembly and Operating Instructions for the Dearborn 20-7 and 20-7A Manure Spreader:

Please review our tutorial in our How-To's - Misc. section (Click here to go there) on how to best capture posted images to your PC to save, edit and print as you need. Printing them from your browser (Internet Explorer, FireFox, etc.) will NOT work reliably.









Ed,
I've acquired a Dearborn Mod. 20-7 Manure Spreader (what was I thinking!). Do you have and would you post the Assembly & Operating Manual? I searched a long time for a spreader. Now I need to know all about it. Much obliged. - Rick
Hi Rick. I've got an early (1952) "Temporary Parts List" and the Assembly and Operating Instructions for this one. I won't have time to scan and post until this weekend, but will get them posted for you ASAP.
Here's an early ad for it as a teaser:


Regards............Ed
'52 8N475798
Ed,
Thanks for posting this information and the A&O instructions. I really appreciate it.
Rick
I'll get the dealer parts book scanned and posted for you tomorrow morning.
We are looking for a operator's and/or parts manual for a Ford Square Baler, component # 14-215 (the 1 could be an I) serial # II42. Does anyone know where we could aquire one. Thanks
What should I do to fix stiff steering it steers hard too hard to even make fast maneuvers so I need to know how to solve this problem?
The tractor is an 8N from the 1947- 1950s.
I tried to drained the steering fluid but the plug would not come out so
I to drill it out and will need a tap and die to retired the hole for the new plug. The fluid is out and it seems to leak out on the other side from the tire rod. I think I might need a gasket? I tried to pull the tire rod off. I think it is the tire rod it connects to the steering box.
How should I fix this problem I jacked the tractor up off the ground and the tractor still steers hard. I got fresh fluid and still seems to not be working normal?
Thanks
You've posted your question in our reference library. We don't get much traffic here, unless someone is looking for a manual. If you will re-post your question in our "N Board" forum, I'm sure you'll get fast and friendly replies pretty quickly.
Welcome........Ed
Thanks sorry my mistake
when taking all the bolts out and removing the cover is there anything the bolts were holding that could move or be displaced causing problems after fixing lift valve which is stuck
Hi Grady. You've posted your question in our reference library. We don't get much traffic here unless someone is looking for a manual. If you'll re-post your question in our "N Board" discussion forum (see the red menu bar at the top of your screen and click on that tab), I'm sure you will get some help there, as a lot more people hang out there.
Thanks.............Ed
Hello everyone,
I'm new to the site and was pointed in this direction for information. I have recently purchase a 9N tractor with a 6 cylinder engine converted by Funk. Here are the pictures:
http://s634.photobucket.com/albums/uu67/Luke084/Ford%20Ferguson%20Funk%206%20Cylinder/
I have more pictures to upload, but i thought I would make a start with these. I wanted to learn as much as I can about the tractor. Because it has alot of things which are not standard. The wheels are oversized, it has an extension on the steering column and the seat has a spring and damper. Are they all part of a conversion kit? Also I was wondering where the best place would be to get replacement parts both new and used?
Any information will be greatly appreciated.
Many thanks,
Luke Watts.
http://i634.photobucket.com/albums/uu67/Luke084/Ford%20Ferguson%20Funk%206%20Cylinder/P1000570.jpg
that's a rare machine, don't see to many 9N's with the Funk conversion. The seat is a
Rest-O-Ride can't remember who made the steering extension. You should post this on
the N Board page you will get more responses.
Thank you so much. I have done what you said. Many thanks on the seat info.
Kind reguards,
Luke.
oops! guess I need to brush up on my seats. LOL
Ha Ha. Nevermind. You were close.
Does anyone have any manuals on a John Deer side delivery Rake Model 350 3 point hitch?
Thanks,
Dave
I have the same rake and the only free manuals you can get are the parts catalog
You can go here:
http://jdpc.deere.com/jdpc/servlet/com.deere.u90490.partscatalog.view.servlets.HomePageServlet?search=model&model=350
and download the info.
israel
OK. Thanks
Here's an original mounting instruction sheet for the 9N Cyclone Air Pre-Cleaner from my collection. The envelope it came in has handwriting on it that states it was installed in 1943. Note that it mentions the three air cleaners that were used on the 9N/2N - identified with a 'U'; 'D'; or 'H'. Also, this will not work on the 8N air cleaner.

Tim Daley(MI)
![]() | ![]() |
I RECENTLY PURCHASED A USED FORD SICKLE MOWER, THREE PT. HOOK UP TO BE USED ON MY 1950 8N FORD TRACTOR. THE SICKLE MOWER IS A FORD MODEL 14-92, SERIAL # 27489. I NEED AN OWNERS MANUAL FOR THIS MOWER. PLEASE EMAIL ME IF YOU HAVE ONE THAT I CAN PURCHASE OR IF YOU DON'T HAVE IT PLEASE TELL ME WHERE I CAN GET ONE. THANK YOU VERY MUCH. MY PHONE # IS AC717-766-5715. AGAIN, MANY THANKS. SINCERELY, KEN HESS
I seen one on Ebay, same guy had reprint owners and parts manuals. In case you want a bound copy
Ken, as Bob mentioned, go back to the main page of this forum and click on "Index to Manuals" and then click on "Mowers" and then click on the selections for "Ford Series 501 Mowers" - I think you'll find what you need.
Hope this helps............Ed
'52 8N475798
Check on top right this page for index click then go to mower you may find your model and priny what you need hopes this help Bob
This is a 1951 dealer ad brochure for the 8N tractor:










Please review our tutorial in our How-To's - Misc. section (Click here to go there) on how to best capture posted images to your PC to save, edit and print as you need. Printing them from your browser (Internet Explorer, FireFox, etc.) will NOT work reliably.
Ed, are there any other Paulson loaders, I'm not sure what brand of a loader I have, but I have seen two others. It has the light weight appearance of the Paulson, however the arms are arched. The support is two channel irons that connect to the under fender brackets and the front lower bracket, there are two "hook" like irons on the top side of the channels for quick-tach design. The channels and the tower with the controls stay on the tractor when quick-detaching. If you know any thing about this loader or manual for operation I would be thankful. Bob E
This is a tool catalog, published by KR Wilson in May of 1949, that lists tools sold by KRW that were to be used to service the Ford N tractors:

Please review our tutorial in our How-To's - Misc. section (Click here to go there) on how to best capture posted images to your PC to save, edit and print as you need. Printing them from your browser (Internet Explorer, FireFox, etc.) will NOT work reliably.







































This is a 1948 dealer ad brochure on the "new" 8N. Dealers would give these out to prospective customers. This was donated to the NTC by Stephen, of Reborn Tractor.net.

Please review our tutorial in our How-To's - Misc. section (Click here to go there) on how to best capture posted images to your PC to save, edit and print as you need. Printing them from your browser (Internet Explorer, FireFox, etc.) will NOT work reliably.















Recently I bought a 3PT Carry All Frame for my 49 8N. It's like a reverse fork lift - only it tilts with the natural movement of the PTO lever.
I am looking for configurations our there of how these things are used. I started off by placing a pallet over the forks and putting 4 molasses barrels on top so I could carry manure from my stalls to my garden and compost bins. It works great and I can slide my molassses barrels off the platform with ease, (cheap manure spreader, but hey, - it fits today's economic bind :-)
I am always looking for improvements, and I know from previous posts that someone has been there before me. You guys and gals always seem to come through with ideas.
Thanks,
KY Dave P.S. I promise to send photos if anyone wants them.
Hi Dave. You posted your question in our Manuals library, and we don't get much traffic here. If you'll repost it in the N Board forum, it will be seen by hundreds of people and you should get some good answers. You can also search our archive in the N Board forum and probably find some good ideas.
Thanks...........Ed
This is from a February 1949 Dealer Parts Book for the Dearborn model 10-27 Middlebuster plow:





Please review our tutorial in our How-To's - Misc. section (Click here to go there) on how to best capture posted images to your PC to save, edit and print as you need. Printing them from your browser (Internet Explorer, FireFox, etc.) will NOT work reliably.
Saw a cross shaft like the one I need to replace on my bottom plow on Tim Daley's Ford 101 moldboard plow manual. Didn't even know the name of the thing as I had just purchased an old plow I believe to be a MF, not a Ford but the shaft is identical. Does anyone know where I can order one of these old cross shafts from.
Thanks a lot,
ite
Rick Wh
Hi Richard. You've posted your query in our library. We don't get much traffic here. If you'll repost it in our "N Board" and/or "Implements" forum, it will be seen by a lot more people and you'll have a better shot at getting help.
Welcome.............Ed
http://www.altsearchengines.com/wp-content/uploads/2009/08/manuals-online-logo.png
Just a message to the forum members about obtaining user manuals. There is a great site that I use called ManualsOnline, you can find basically everything you need.
http://www.manualsonline.com
Gee Ed, that site was no help to me . It had nothing on Ford tractors , Dearborn implements , or chainsaws . So what manuals do you get here & how do you get them ? God bless
Ed?
Don't that that post was from Ed. Better check the name again.
Tyler




Does anyone have the production codes for the hundred series tractors?
May not be exactly what you are looking for, but see if this helps some.
Thanks, I had that information - model number and serial number stuff. What I am looking for is a decoding of the casting numbers on the 100 series tractors built between 1953 and 1961.
Thanks for this posting Ed! Zack
Ed, your last hint didn't get any results so I called the TractooHouse in Donna, Tx and the gentleman I spoke with was good enough to go look at the tag on their plow and he gave this info.
Series I or 1-02
Componate I or 1 0 445
I failed to ask him for the serial # which may or may not help in our search.
By the way Ed did you look at the plow on TractorHouse.com stock # 12587.
I dont mean to be a pain in the neck but I want you to know I sure thank you for your help.
Cliff
Looks like a later model of the 2-way plow. I don't have any manuals on that one, unfortunately.
I need to locate an owners manual for the 10-151 flip 2 bottom plow that has hyd. assist. I have only been able to located manuals that show a lot of different plows and a picture of a frame assy. and lockout assy.for a two way bottom plow. I located a simular plow on TractoHous.com. stock #12587 but they did not have any manuals.
Any help sure would be nice.
Hi Cliff - not sure you have your terminology or model numbers correct, which may be causing you problems in finding the info. The two-way plow was model 10-14 - we have manuals for it here.
The 10-152 is not a two-way plow - it's just a regular 2-bottom plow. Check the manuals here are titled "Dearborn Economy Plow" and you'll find info on it.
Hope this helps............Ed
'52 8N475798
I am looking for a owners manual or installation setup for a dearborn 10-64, taylor disc tiller. I don't know how to set the arm for the trailing wheel that hooks under the axle and runs back to the tail wheel.
Hi David. Were the dealer parts books that we have here in our library not of any help in this?
If not, would suggest you post your question about the trailing wheel in our "Implements" section - more people will see it there.
Good luck with it.........Ed
These scans were donated by Randy(PA). Just what you'll need to restore or refurbish a N-based Moto-Tug:

Please review our tutorial in our How-To's - Misc. section (Click here to go there) on how to best capture posted images to your PC to save, edit and print as you need. Printing them from your browser (Internet Explorer, FireFox, etc.) will NOT work reliably.































go head














